BOSTITCH STICK NAILER N80S Ersatzteile
N80S STICK NAILER

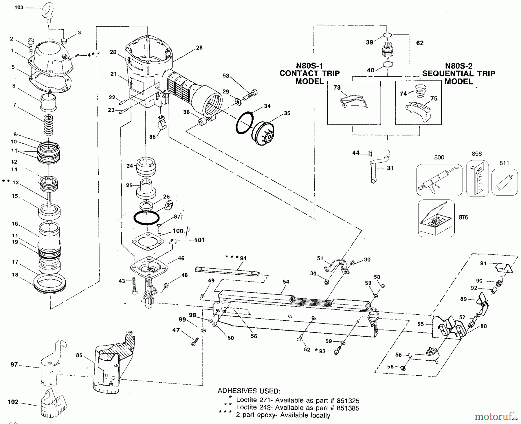
Hier finden Sie die Ersatzteilzeichnung für BOSTITCH NAILERS STICK NAILER N80S Seite 1. Wählen Sie das benötigte Ersatzteil aus der Ersatzteilliste Ihres BOSTITCH Gerätes aus und bestellen Sie einfach online. Viele BOSTITCH Ersatzteile halten wir ständig in unserem Lager für Sie bereit.


Qualitätsmanagement
Informieren Sie uns, wenn Sie einen Fehler gefunden haben.

