BOSTITCH NAGLER N70SB Ersatzteile
N70SB NAGLER

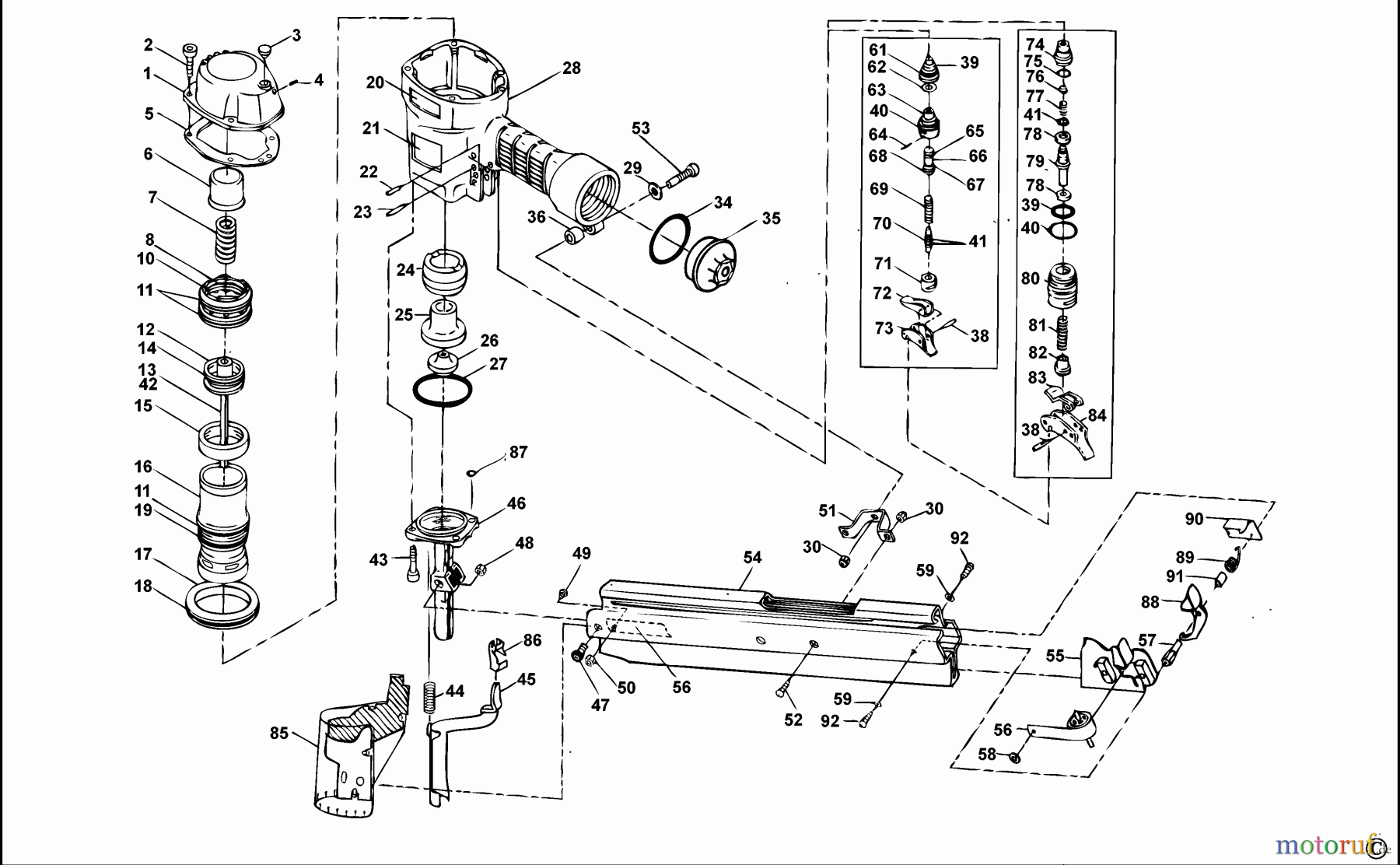
Hier finden Sie die Ersatzteilzeichnung für BOSTITCH NAILERS NAGLER N70SB Seite 1. Wählen Sie das benötigte Ersatzteil aus der Ersatzteilliste Ihres BOSTITCH Gerätes aus und bestellen Sie einfach online. Viele BOSTITCH Ersatzteile halten wir ständig in unserem Lager für Sie bereit.



