BOSTITCH COIL NAGLER N50C-1 Ersatzteile
N50C-1 COIL NAGLER

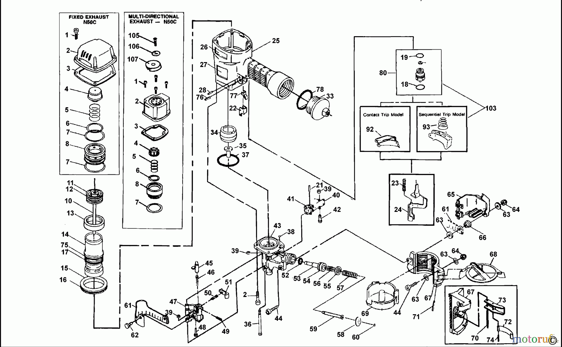
Hier finden Sie die Ersatzteilzeichnung für BOSTITCH NAILERS COIL NAGLER N50C-1 Seite 1. Wählen Sie das benötigte Ersatzteil aus der Ersatzteilliste Ihres BOSTITCH Gerätes aus und bestellen Sie einfach online. Viele BOSTITCH Ersatzteile halten wir ständig in unserem Lager für Sie bereit.


Qualitätsmanagement
Informieren Sie uns, wenn Sie einen Fehler gefunden haben.

