ELU SAWS UNIVERSALSÄGE MSU430PL Ersatzteile
MSU430PL UNIVERSALSÄGE

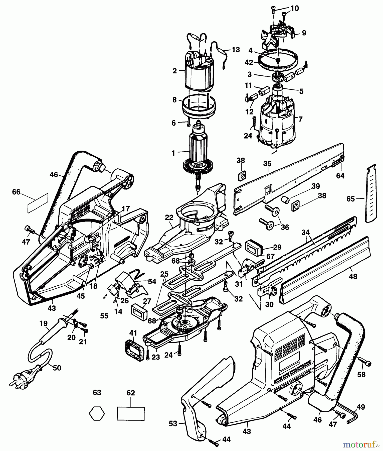
Hier finden Sie die Ersatzteilzeichnung für ELU WOODWORKING SAWS UNIVERSALSÄGE MSU430PL Seite 1. Wählen Sie das benötigte Ersatzteil aus der Ersatzteilliste Ihres ELU Gerätes aus und bestellen Sie einfach online. Viele ELU Ersatzteile halten wir ständig in unserem Lager für Sie bereit.



