ELU WORKBENCH & VICE SUPERBACKEN MSB93 Ersatzteile
MSB93 SUPERBACKEN

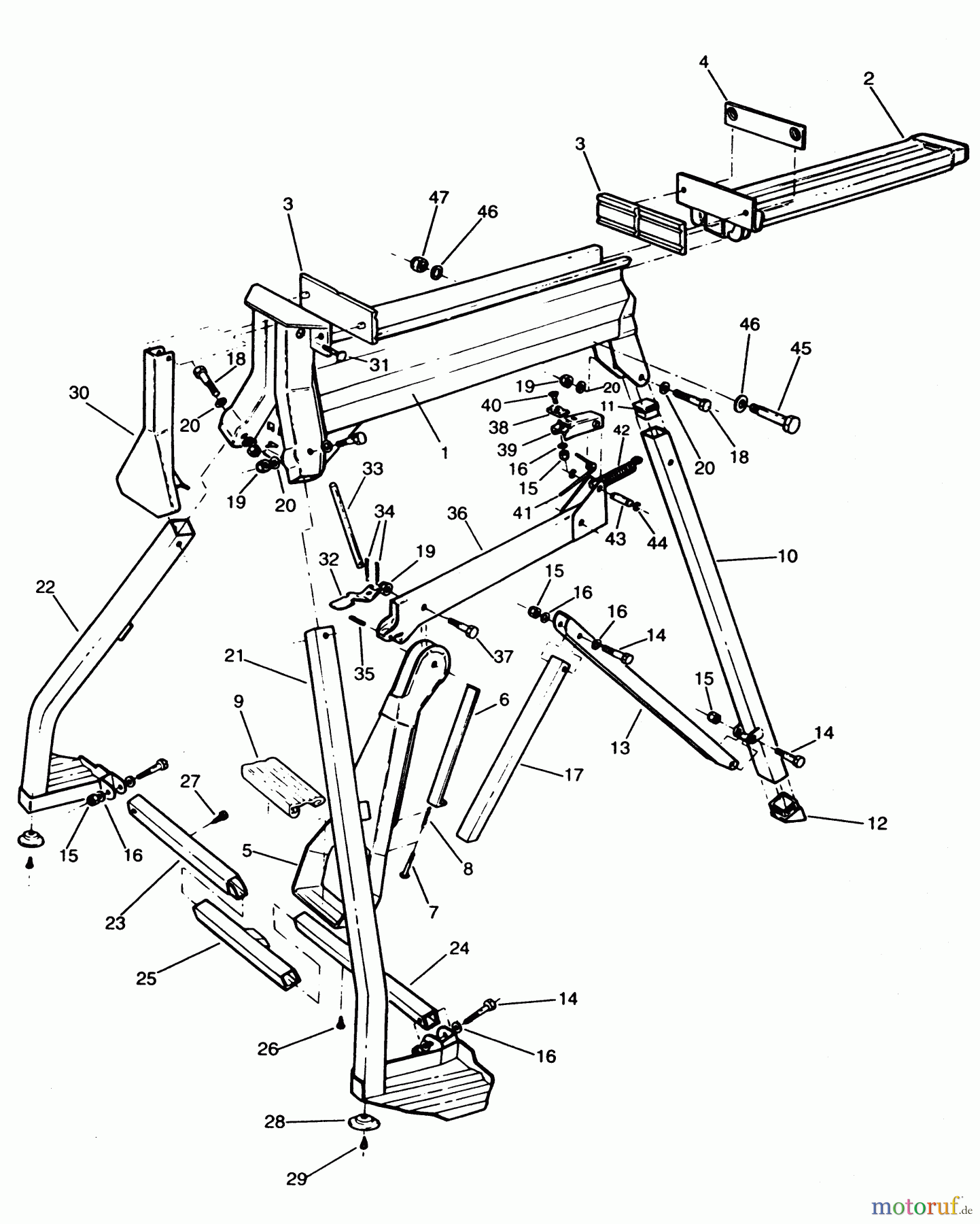
Hier finden Sie die Ersatzteilzeichnung für ELU WOODWORKING WORKBENCH & VICE SUPERBACKEN MSB93 Seite 1. Wählen Sie das benötigte Ersatzteil aus der Ersatzteilliste Ihres ELU Gerätes aus und bestellen Sie einfach online. Viele ELU Ersatzteile halten wir ständig in unserem Lager für Sie bereit.