ELU ROUTERS, JOINTERS & TRIMMERS FRÄSMASCHINE MOF177 Ersatzteile
MOF177 FRÄSMASCHINE

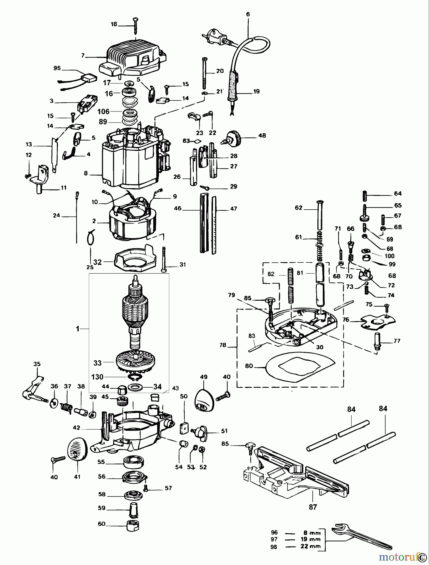
Hier finden Sie die Ersatzteilzeichnung für ELU WOODWORKING ROUTERS, JOINTERS & TRIMMERS FRÄSMASCHINE MOF177 Seite 1. Wählen Sie das benötigte Ersatzteil aus der Ersatzteilliste Ihres ELU Gerätes aus und bestellen Sie einfach online. Viele ELU Ersatzteile halten wir ständig in unserem Lager für Sie bereit.


Qualitätsmanagement
Informieren Sie uns, wenn Sie einen Fehler gefunden haben.

