BOSTITCH NAGLER MODEL 3000 Ersatzteile
MODEL 3000 NAGLER

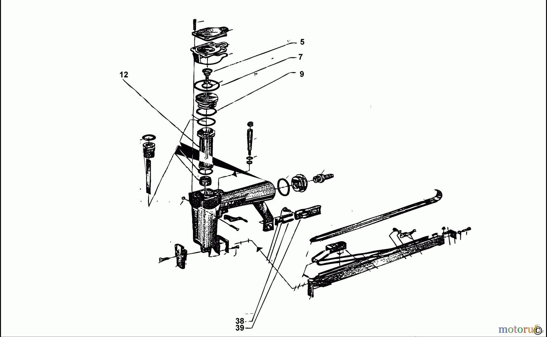
Hier finden Sie die Ersatzteilzeichnung für BOSTITCH ATRO UNITS NAGLER MODEL 3000 Seite 1. Wählen Sie das benötigte Ersatzteil aus der Ersatzteilliste Ihres BOSTITCH Gerätes aus und bestellen Sie einfach online. Viele BOSTITCH Ersatzteile halten wir ständig in unserem Lager für Sie bereit.
BildNr | Artikel Nummer | Bezeichnung | |
5 | SB-3091058 | O-RING | |
7 | SB-3091058 | O-RING | |
9 | SB-3091052 | O-RING | |
12 | SB-3091052 | O-RING | |
38 | SB-3050130 | FEDER | |
39 | SB-3201751 | BLOCK ZSB |


Qualitätsmanagement
Informieren Sie uns, wenn Sie einen Fehler gefunden haben.