ELU ROUTERS, JOINTERS & TRIMMERS LAMELLENTRIMMER MKF169 Ersatzteile
MKF169 LAMELLENTRIMMER

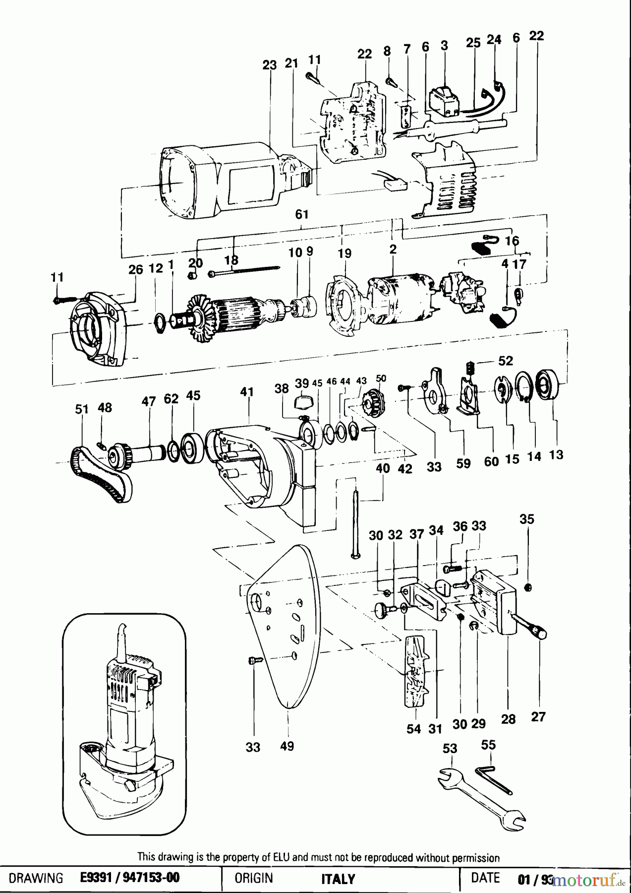
Hier finden Sie die Ersatzteilzeichnung für ELU WOODWORKING ROUTERS, JOINTERS & TRIMMERS LAMELLENTRIMMER MKF169 Seite 1. Wählen Sie das benötigte Ersatzteil aus der Ersatzteilliste Ihres ELU Gerätes aus und bestellen Sie einfach online. Viele ELU Ersatzteile halten wir ständig in unserem Lager für Sie bereit.


Qualitätsmanagement
 Informieren Sie uns, wenn Sie einen Fehler gefunden haben.

