BOSTITCH NAGLER MINOR 9032 LM Ersatzteile
MINOR 9032 LM NAGLER

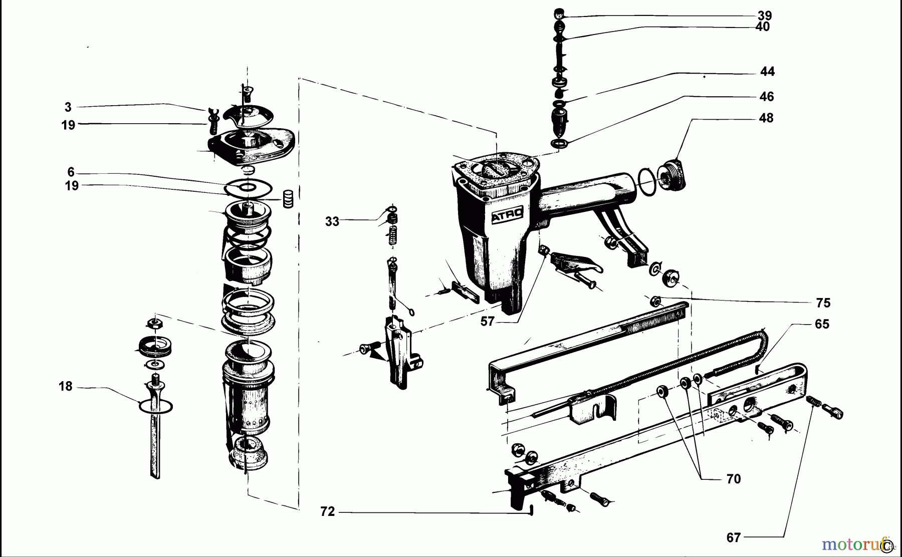
Hier finden Sie die Ersatzteilzeichnung für BOSTITCH ATRO UNITS NAGLER MINOR 9032 LM Seite 1. Wählen Sie das benötigte Ersatzteil aus der Ersatzteilliste Ihres BOSTITCH Gerätes aus und bestellen Sie einfach online. Viele BOSTITCH Ersatzteile halten wir ständig in unserem Lager für Sie bereit.
| BildNr | Artikel Nummer | Bezeichnung | |
| 3 | SB-3001325 | SCHRAUBE | |
| 6 | SB-3091016 | O-RING | |
| 18 | SB-3091514 | O-RING | |
| 19 | SB-3024310 | DISTANZSCHEIBE | |
| 33 | SB-3092511 | O-RING | |
| 39 | SB-3099530 | O-RING | |
| 40 | SB-3090621 | O-RING | |
| 44 | SB-3090525 | O-RING | |
| 46 | SB-3099120 | UNTERLEGSCHEIBE | |
| 48 | SB-3551440 | ZÜNDKERZE | |
| 57 | SB-3099950 | DICHTUNG | |
| 65 | SB-3053080 | STIFT | |
| 67 | SB-3050110 | FEDER | |
| 70 | SB-3011212 | MUTTER | |
| 72 | SB-3035210 | FEDER | |
| 75 | SB-3011110 | MUTTER | |


Qualitätsmanagement
Informieren Sie uns, wenn Sie einen Fehler gefunden haben.

