ELU SANDERS BANDSCHLEIFER MHB90K Ersatzteile
MHB90K BANDSCHLEIFER

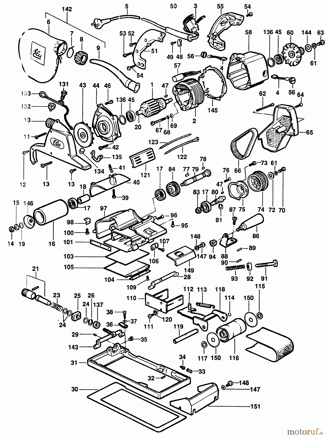
Hier finden Sie die Ersatzteilzeichnung für ELU WOODWORKING SANDERS BANDSCHLEIFER MHB90K Seite 1. Wählen Sie das benötigte Ersatzteil aus der Ersatzteilliste Ihres ELU Gerätes aus und bestellen Sie einfach online. Viele ELU Ersatzteile halten wir ständig in unserem Lager für Sie bereit.


Qualitätsmanagement
Informieren Sie uns, wenn Sie einen Fehler gefunden haben.

