ELU SAWS MINI-SPALTSÄGE MH25K Ersatzteile
MH25K MINI-SPALTSÄGE

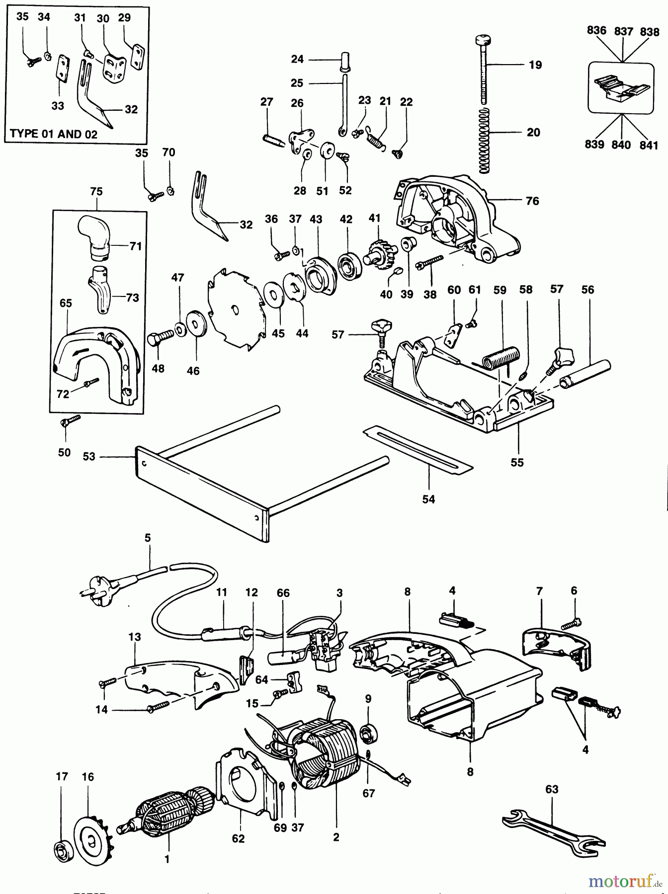
Hier finden Sie die Ersatzteilzeichnung für ELU WOODWORKING SAWS MINI-SPALTSÄGE MH25K Seite 1. Wählen Sie das benötigte Ersatzteil aus der Ersatzteilliste Ihres ELU Gerätes aus und bestellen Sie einfach online. Viele ELU Ersatzteile halten wir ständig in unserem Lager für Sie bereit.


Qualitätsmanagement
Informieren Sie uns, wenn Sie einen Fehler gefunden haben.

