BOSTITCH NAGLER MFN-201-E Ersatzteile
MFN-201-E NAGLER

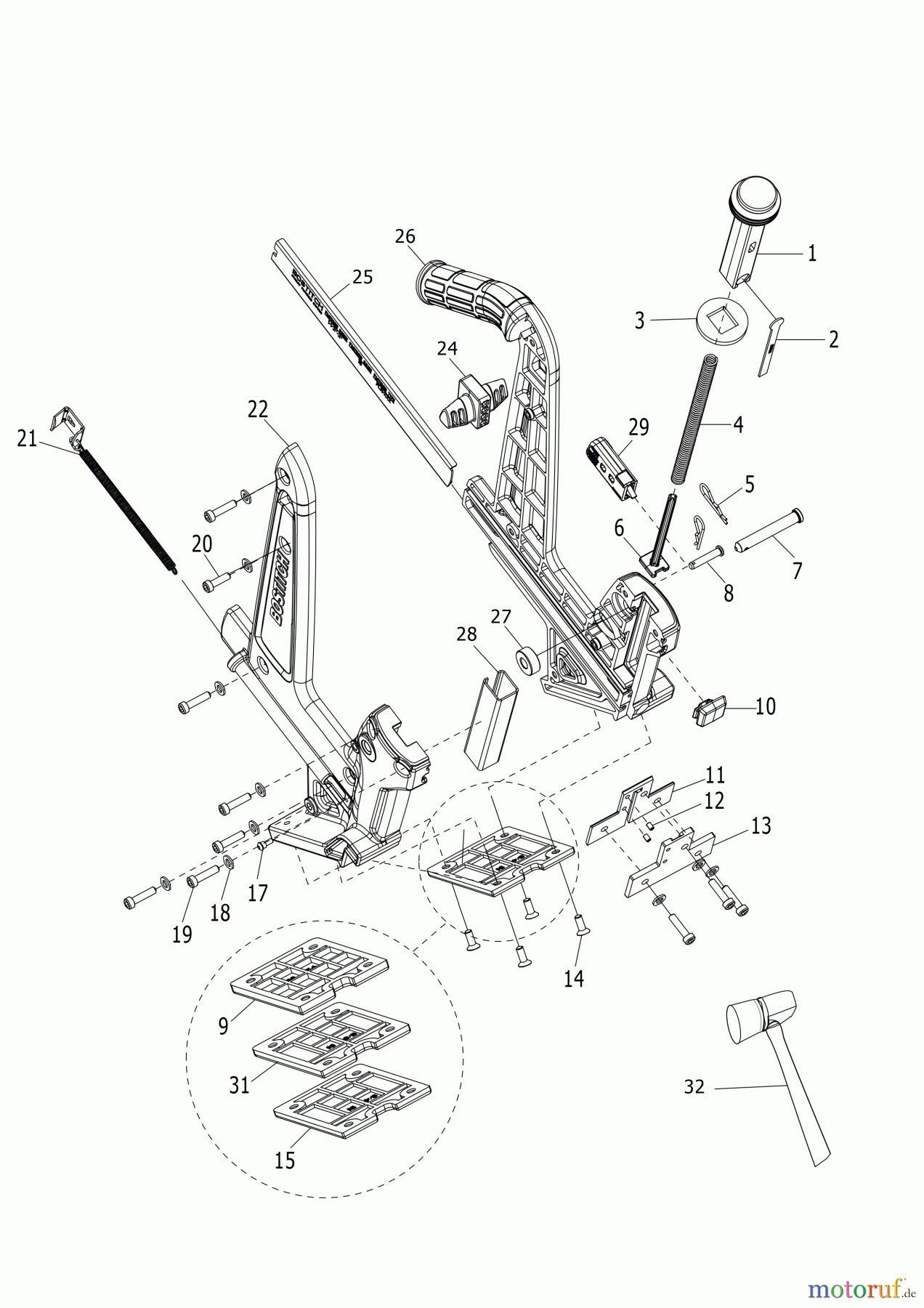
Hier finden Sie die Ersatzteilzeichnung für BOSTITCH NAILERS NAGLER MFN-201-E Seite 1. Wählen Sie das benötigte Ersatzteil aus der Ersatzteilliste Ihres BOSTITCH Gerätes aus und bestellen Sie einfach online. Viele BOSTITCH Ersatzteile halten wir ständig in unserem Lager für Sie bereit.



