ELU ROUTERS, JOINTERS & TRIMMERS PLATTENVERBINDER MBR100 Ersatzteile
MBR100 PLATTENVERBINDER

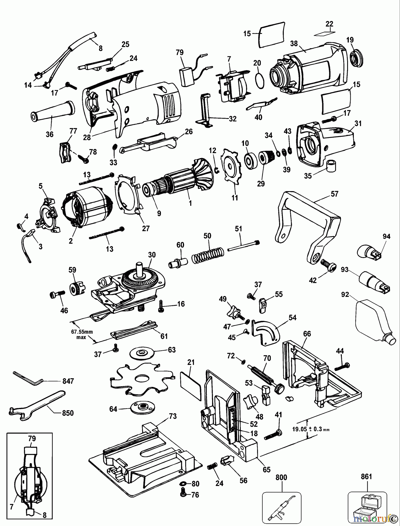
Hier finden Sie die Ersatzteilzeichnung für ELU WOODWORKING ROUTERS, JOINTERS & TRIMMERS PLATTENVERBINDER MBR100 Seite 1. Wählen Sie das benötigte Ersatzteil aus der Ersatzteilliste Ihres ELU Gerätes aus und bestellen Sie einfach online. Viele ELU Ersatzteile halten wir ständig in unserem Lager für Sie bereit.


Qualitätsmanagement
Informieren Sie uns, wenn Sie einen Fehler gefunden haben.

