Einstellungen Computer

ELU HAMMERS DREHHAMMER MBH26RLM Ersatzteile

MBH26RLM DREHHAMMER

 ELU DRILLING/DRIVING HAMMERS DREHHAMMER MBH26RLM Seite 1

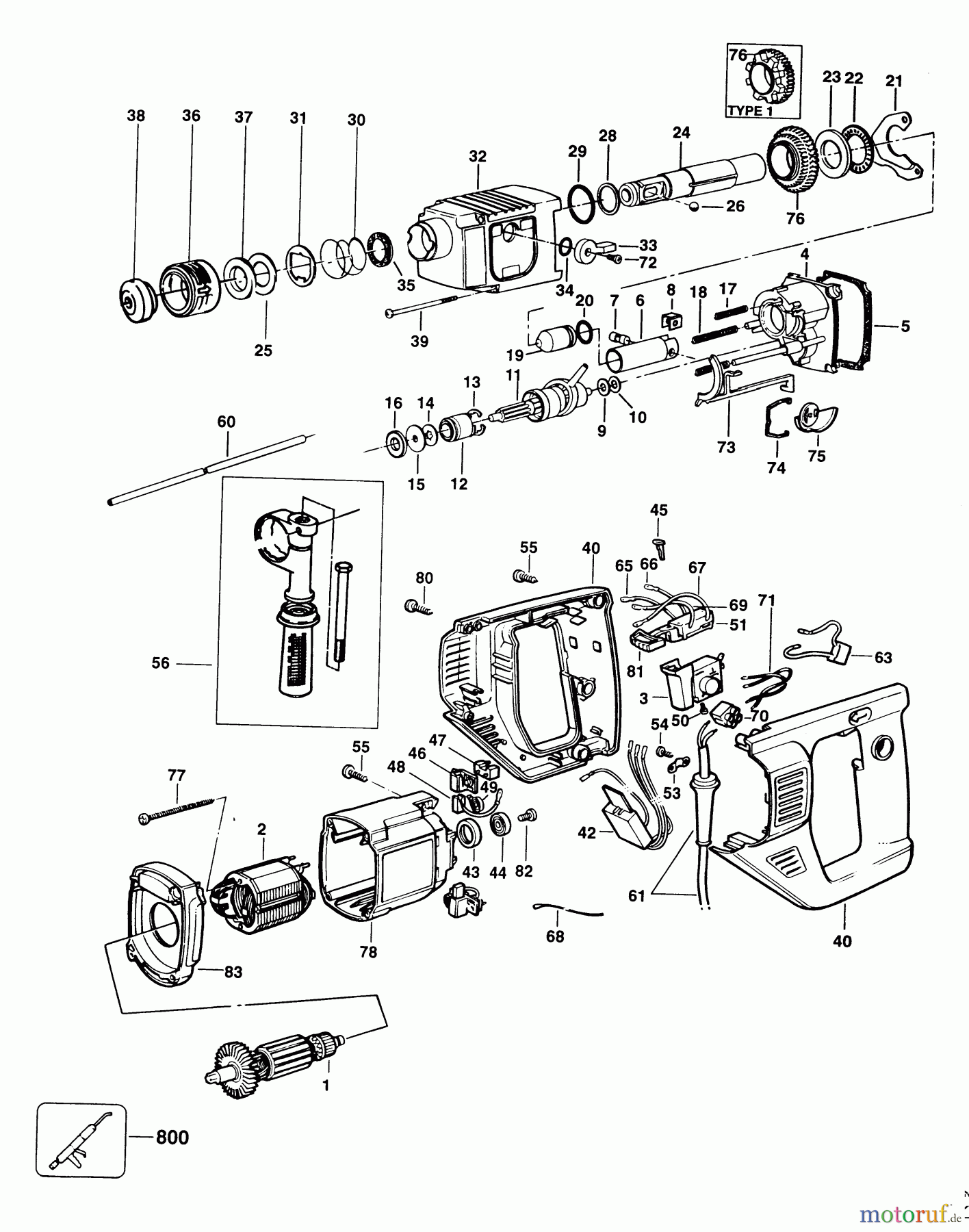
Hier finden Sie die Ersatzteilzeichnung für ELU DRILLING/DRIVING HAMMERS DREHHAMMER MBH26RLM Seite 1. Wählen Sie das benötigte Ersatzteil aus der Ersatzteilliste Ihres ELU Gerätes aus und bestellen Sie einfach online. Viele ELU Ersatzteile halten wir ständig in unserem Lager für Sie bereit.

BildNrArtikel NummerBezeichnung
1 SB-377762-05ARMATURE 240V
2 SB-373874-00FIELD 230V
3 SB-324556-49SCHALTER
4 SB-324032-01GEHAEUSE
5 SB-323572-00DICHTUNG
6 SB-323926-00KOLBEN
7 SB-323569-00ACHSE
8 SB-324487-00FEDER
9 SB-324430-03AXIALLAGER
10 SB-324431-03WASHER 7
11 SB-324155-01GETRIEBE
12 SB-325232-01HUELSE
13 SB-323487-00RING
14 SB-323563-01FEDERSCHEIBE
15 SB-324431-00WASHER 6
16 SB-324430-00NADELLAGER
17 SB-323395-00FEDER
18 SB-323395-02FEDER
19 SB-325175-00KOLBEN
20 SB-323711-25O-RING
21 SB-323488-01PLATTE
22 SB-324430-01BEARING,NEEDLE
23 SB-323999-00UNTERLEGSCHEIBE
24 SB-324031-00SPINDEL
25 SB-323492-00UNTERLEGSCHEIBE
26 SB-583890-00KUGEL
28 SB-323753-01UNTERLEGSCHEIBE
29 SB-323711-04DICHTUNG
30 SB-871690FEDER
31 SB-578387-00UNTERLEGSCHEIBE
32 SB-324033-10GETR.GEH.
33 SB-323882-00HEBEL
34 SB-323711-07O-RING
35 SB-324432-00DICHTUNG ZSB
36 SB-576756-00KRAGEN
37 SB-323480-00DISTANZSCHEIBE
38 SB-323489-00KAPPE
39 SB-324044-01SCREW.TEMP
40 SB-324189-02GRIFF ZSB
42 SB-324552-00ELECTRONIC 230V
43 SB-870052HUELSE
44 SB-330003-19KUGELLAGER
45 SB-324165-03EINSATZ
46 SB-323496-01KOHLEHALTER
47 SB-491366-00KOHLEKIT
48 SB-323660-01BRUSH 230V
49 SB-872843FEDER
50 SB-911026SCHRAUBE
51 SB-324400-002 G.-SCHALTER M232R
53 SB-916307KABELKLEMME
54 SB-323924-08SCHRAUBE
55 SB-323924-02SCHRAUBE
56 SB-939794-00SEITENGRIFF ZSB
60 SB-580787-00TIEFENSTOP
61 SB-324438-89KABELSATZ
63 SB-320842-03KONDENSATOR
65 SB-877358LEAD 220MM
66 SB-877357LEAD 160MM BLACK
67 SB-877357LEAD 160MM BLACK
68 SB-878846LEAD 360MM
69 SB-323768-01LEAD 100MM
70 SB-323534-00VERBINDER
71 SB-323635-10LEAD 70MM
72 SB-324007-10SCHRAUBE
73 SB-323795-01HEBEL
74 SB-323797-00KLIP
75 SB-323956-01HEBEL
76 SB-324108-00GETRIEBE
77 SB-911250SCREW.TEMP
78 SB-324188-05GEHAEUSE
80 SB-323924-11SCREW.TEMP
81 SB-323490-08HEBEL
82 SB-329794-00SCHRAUBE
83 SB-324196-02ABDECKUNG
800 SB-870889-02FETT
Rasen
Bankeinzug, MasterCard, Visa, American Express, PayPal, Nachnahme, Vorauskasse, Sofortüberweisung
Datenschutzerklärung Impressum
Qualitätsmanagement
Informieren Sie uns, wenn Sie einen Fehler gefunden haben.