Einstellungen Computer

BLACK+DECKER HECKENSCHEREN, FADENTRIMMER, SCHEREN 18 INCH MOWER M2240 Ersatzteile

M2240 18 INCH MOWER

 BLACK+DECKER AUSSERHALB HECKENSCHEREN, FADENTRIMMER, SCHEREN 18 INCH MOWER M2240 Seite 1

Hier finden Sie die Ersatzteilzeichnung für BLACK+DECKER AUSSERHALB HECKENSCHEREN, FADENTRIMMER, SCHEREN 18 INCH MOWER M2240 Seite 1. Wählen Sie das benötigte Ersatzteil aus der Ersatzteilliste Ihres BLACK+DECKER Gerätes aus und bestellen Sie einfach online. Viele BLACK+DECKER Ersatzteile halten wir ständig in unserem Lager für Sie bereit.

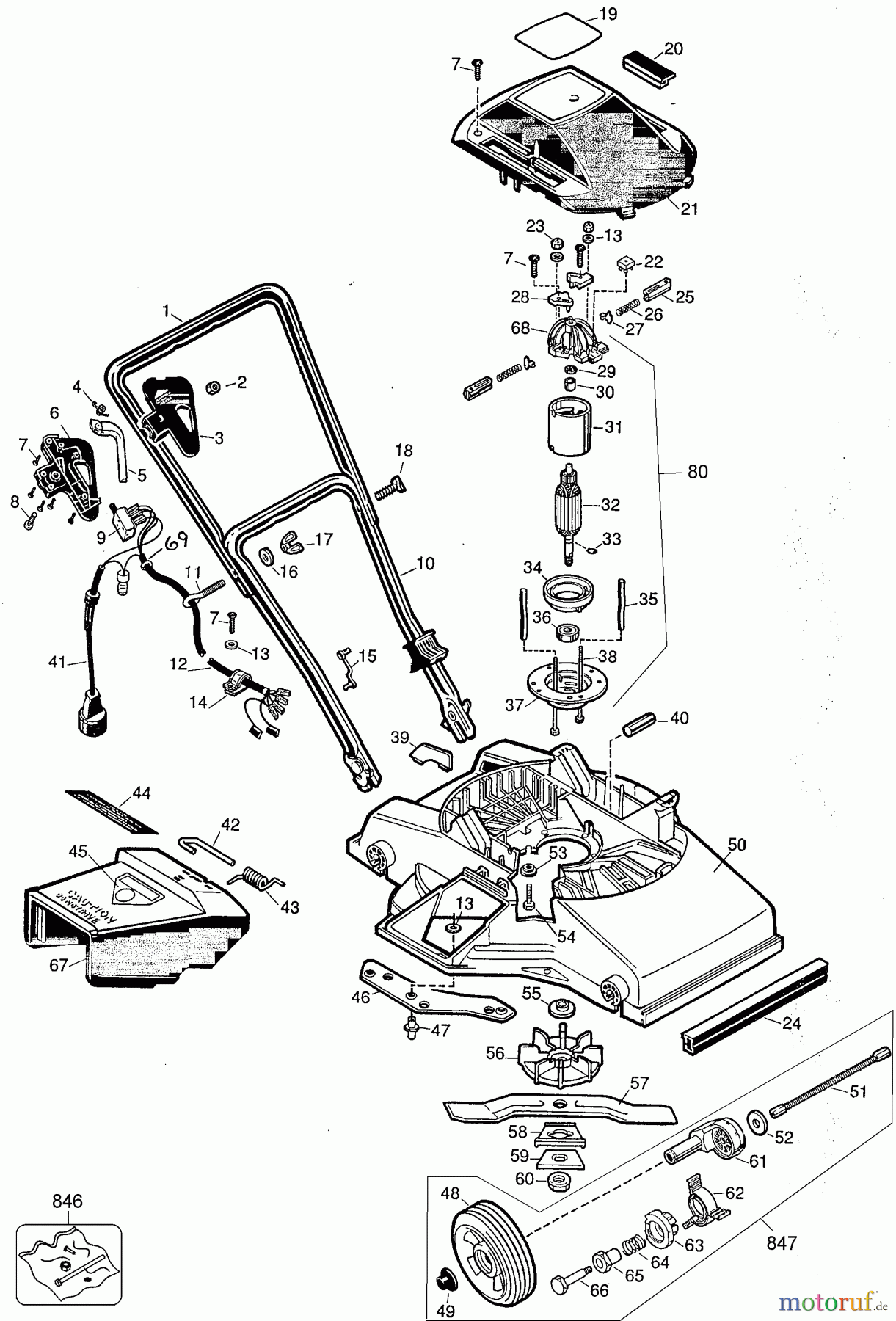
BildNrArtikel NummerBezeichnung
1 SB-242065-02HANDLE
2 SB-38738-00MUTTER
4 SB-681269-00FEDER
5 SB-681253-07SCHALTBÜGEL
7 SB-330019-13SCHRAUBE
8 SB-99292-16SCHRAUBE
9 SB-681064-01SWITCH,P.BUTTON
10 SB-429734-00LOWR HANDLE KIT
11 SB-241948-00BOLT,EYE 1/4-28
12 SB-241480-13CORD,MOTOR
13 SB-99361-10UNTERLEGSCHEIBE
14 SB-062443-02KLAMMER
15 SB-239715-06VERBINDER
16 SB-38297-00SCHEIBE
17 SB-090914-00FLUEGELMUTTER
18 SB-241947-00SCREW,CURVED HD
19 SB-272605-00LABEL,ID
20 SB-000000-00NICHT MEHR LIEFERBAR
21 SB-241530-01RADKRANZ
22 SB-72256-03GLEICHRICHTER
23 SB-032699-00MUTTER
24 SB-241642-00BUMPER
25 SB-242274-00EINSATZ
26 SB-242207-00KOHLEFEDER
27 SB-070162-00ANSCHLUSSKLEMME
28 SB-240808-01KOHLEKAPPE
29 SB-681886-00OELER
30 SB-73093-00LAGERBÜCHSE
31 SB-681086-02MAGNET
32 SB-241549-31ANKER
33 SB-137203-00RING
34 SB-681285-00ISOLATION
35 SB-60655-04HUELSE
36 SB-70055-00KUGELLAGER
37 SB-241590-07PLATTE
38 SB-681298-00SCHRAUBE
39 SB-241540-02PLUG,DECK
40 SB-241578-00STIFT
41 SB-242266-00CORD,POWER
42 SB-241979-00STIFT
43 SB-241623-00FEDER
44 SB-264403-00LABEL,WARNING
45 SB-272593-00LABEL,CAUTION
46 SB-241726-00PLATTE
47 SB-241875-00NIETE
48 SB-241159-01RAD
49 SB-56618-06KAPPE
50 SB-241998-30MÄHDECK
51 SB-242868-00KIT,HGHT.ADJUST
52 SB-000000-00NICHT MEHR LIEFERBAR
53 SB-241594-02DISTANZSCHEIBE
54 SB-243679-00SCHRAUBE
55 SB-680812-00DISTANZSCHEIBE
56 SB-241125-00LÜFTER
57 SB-242247-00MESSER
58 SB-241381-01ISOLATION
59 SB-92715-00DISTANZSCHEIBE
60 SB-90561895MUTTER
61 SB-242868-00KIT,HGHT.ADJUST
62 SB-241664-00KAMM
63 SB-241665-00LOCK,CAM
64 SB-241666-00FEDER
65 SB-000000-00NICHT MEHR LIEFERBAR
66 SB-000000-00NICHT MEHR LIEFERBAR
67 SB-241527-00RINNE
68 SB-680476-07SPARE PART
69 SB-69181-02RELIEF
80 SB-242238-00MOTOR,7 AMP
846 SB-000000-00NICHT MEHR LIEFERBAR
847 SB-242868-00KIT,HGHT.ADJUST
Rasen
Bankeinzug, MasterCard, Visa, American Express, PayPal, Nachnahme, Vorauskasse, Sofortüberweisung
Datenschutzerklärung Impressum