BOSTITCH STAUCHKOPF - NAGLER M10SIC-MG/30 Ersatzteile
M10SIC-MG/30 STAUCHKOPF - NAGLER

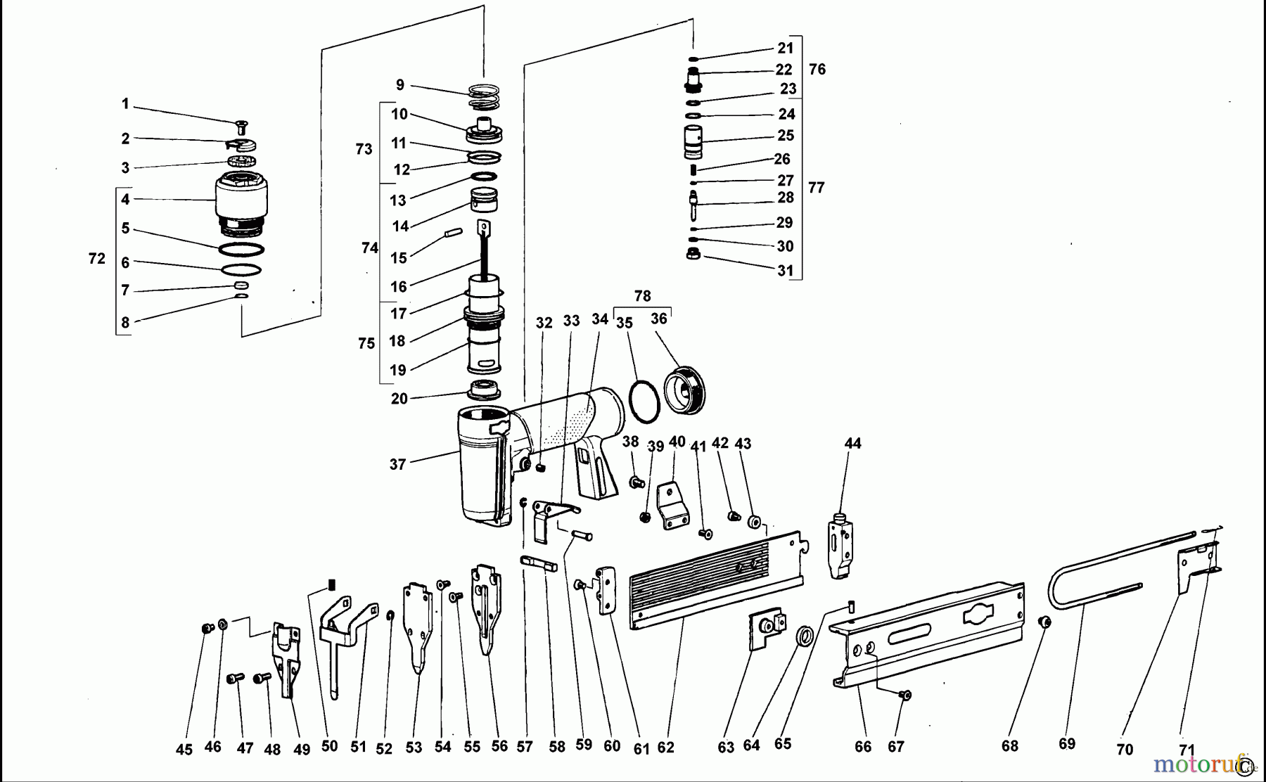
Hier finden Sie die Ersatzteilzeichnung für BOSTITCH NAILERS STAUCHKOPF - NAGLER M10SIC-MG/30 Seite 1. Wählen Sie das benötigte Ersatzteil aus der Ersatzteilliste Ihres BOSTITCH Gerätes aus und bestellen Sie einfach online. Viele BOSTITCH Ersatzteile halten wir ständig in unserem Lager für Sie bereit.


Qualitätsmanagement
Informieren Sie uns, wenn Sie einen Fehler gefunden haben.

