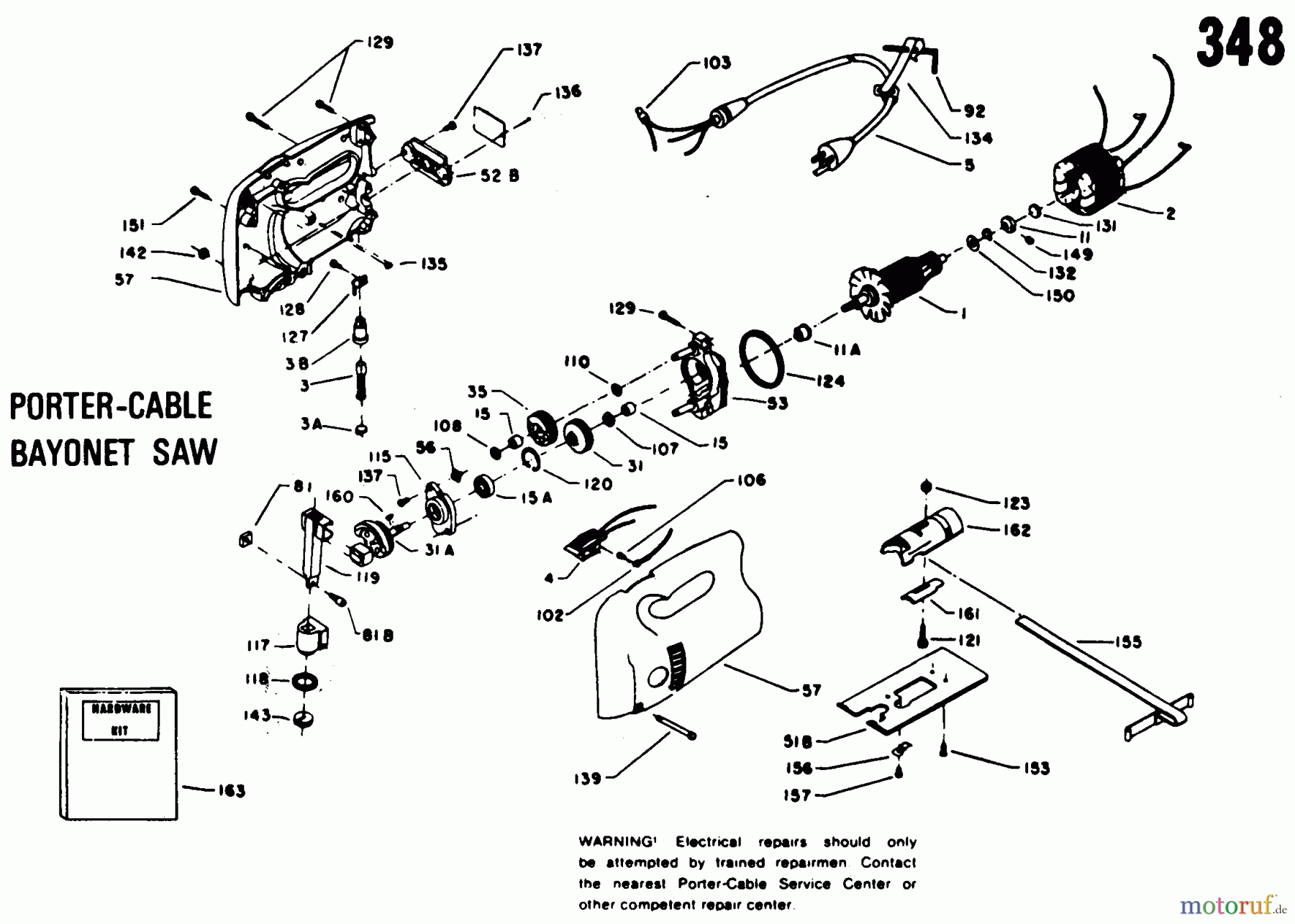
PORTER CABLE BAYONET SAW J-348 Ersatzteile
J-348 BAYONET SAW

Hier finden Sie die Ersatzteilzeichnung für PORTER CABLE Divers BAYONET SAW J-348 Seite 1. Wählen Sie das benötigte Ersatzteil aus der Ersatzteilliste Ihres PORTER CABLE Gerätes aus und bestellen Sie einfach online. Viele PORTER CABLE Ersatzteile halten wir ständig in unserem Lager für Sie bereit.



