OEM Black und Decker A 4.0HP 20G HP OL 1STG 24 IR4E20AD Ersatzteile
IR4E20AD A 4.0HP 20G HP OL 1STG 24

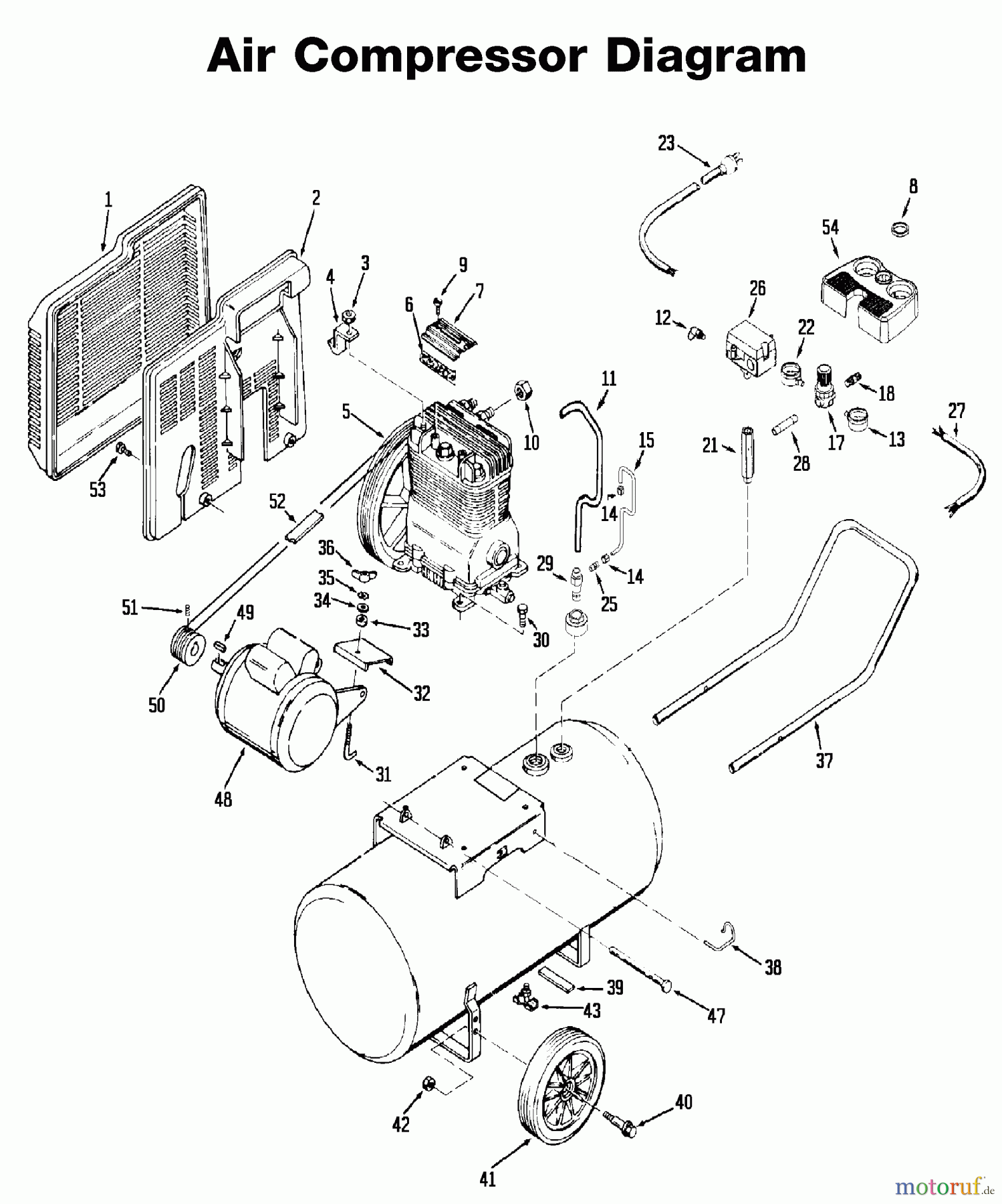
Hier finden Sie die Ersatzteilzeichnung für OEM Black und Decker Divers A 4.0HP 20G HP OL 1STG 24 IR4E20AD Seite 1. Wählen Sie das benötigte Ersatzteil aus der Ersatzteilliste Ihres OEM Black und Decker Gerätes aus und bestellen Sie einfach online. Viele OEM Black und Decker Ersatzteile halten wir ständig in unserem Lager für Sie bereit.


Qualitätsmanagement
Informieren Sie uns, wenn Sie einen Fehler gefunden haben.

