BOSTITCH HEFTER HP118K Ersatzteile
HP118K HEFTER

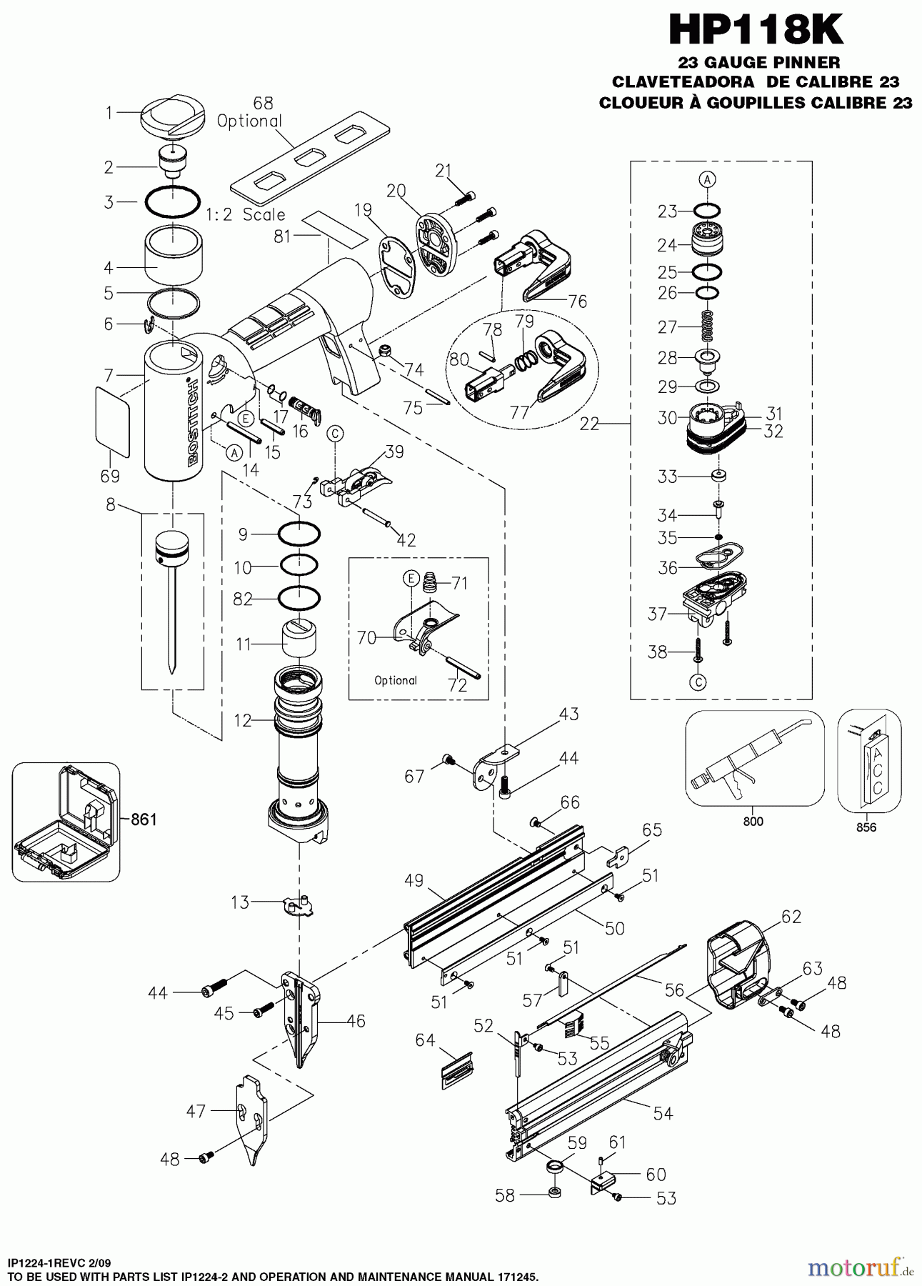
Hier finden Sie die Ersatzteilzeichnung für BOSTITCH NAILERS HEFTER HP118K Seite 1. Wählen Sie das benötigte Ersatzteil aus der Ersatzteilliste Ihres BOSTITCH Gerätes aus und bestellen Sie einfach online. Viele BOSTITCH Ersatzteile halten wir ständig in unserem Lager für Sie bereit.




