BLACK+DECKER HECKENSCHEREN, FADENTRIMMER, SCHEREN KL. HECKENSCHERE GT243 Ersatzteile
GT243 KL. HECKENSCHERE

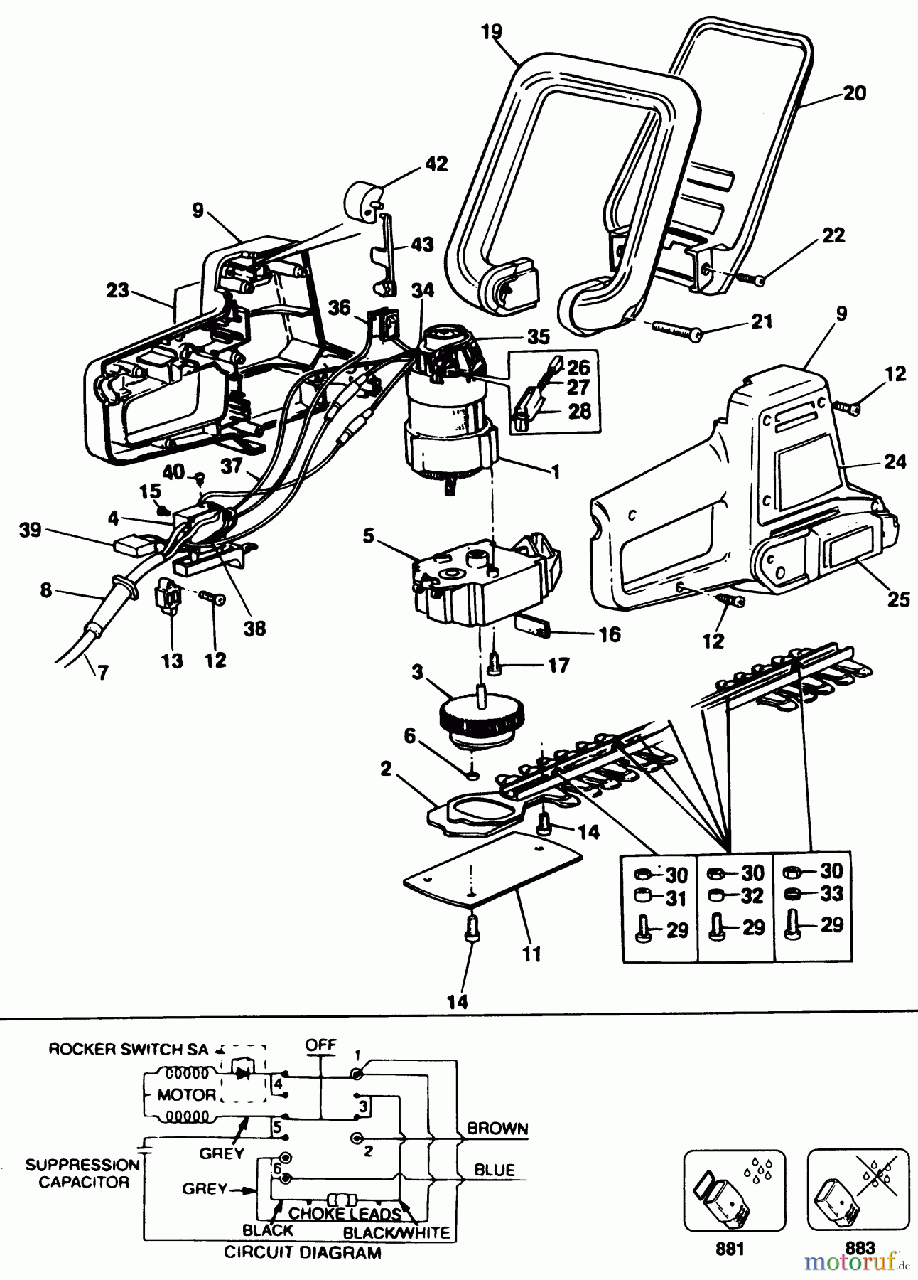
Hier finden Sie die Ersatzteilzeichnung für BLACK+DECKER AUSSERHALB HECKENSCHEREN, FADENTRIMMER, SCHEREN KL. HECKENSCHERE GT243 Seite 1. Wählen Sie das benötigte Ersatzteil aus der Ersatzteilliste Ihres BLACK+DECKER Gerätes aus und bestellen Sie einfach online. Viele BLACK+DECKER Ersatzteile halten wir ständig in unserem Lager für Sie bereit.



