DEWALT SÄGEN 14 CHOP SAW GR871 Ersatzteile
GR871 14 CHOP SAW

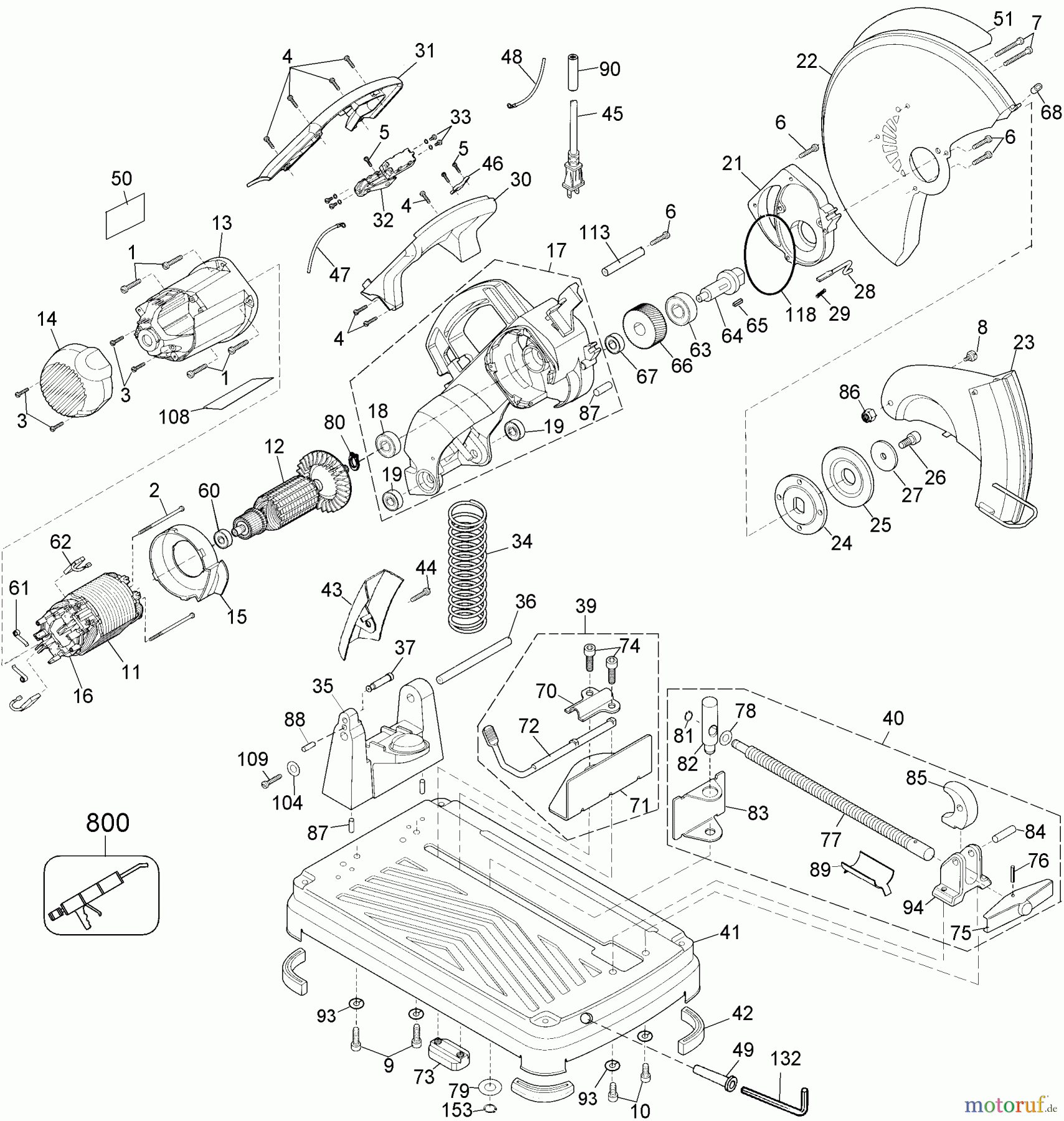
Hier finden Sie die Ersatzteilzeichnung für DEWALT METALLBEARBEITUNG SÄGEN 14 CHOP SAW GR871 Seite 1. Wählen Sie das benötigte Ersatzteil aus der Ersatzteilliste Ihres DEWALT Gerätes aus und bestellen Sie einfach online. Viele DEWALT Ersatzteile halten wir ständig in unserem Lager für Sie bereit.


Qualitätsmanagement
Informieren Sie uns, wenn Sie einen Fehler gefunden haben.

