BOSTITCH NAGLER GBT1850K Ersatzteile
GBT1850K NAGLER

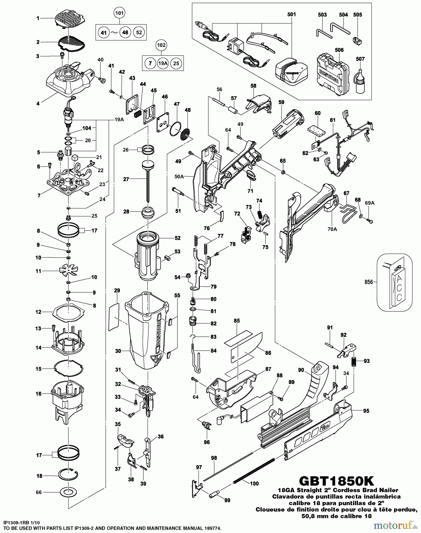
Hier finden Sie die Ersatzteilzeichnung für BOSTITCH GAS NAILERS NAGLER GBT1850K Seite 1. Wählen Sie das benötigte Ersatzteil aus der Ersatzteilliste Ihres BOSTITCH Gerätes aus und bestellen Sie einfach online. Viele BOSTITCH Ersatzteile halten wir ständig in unserem Lager für Sie bereit.


Qualitätsmanagement
Informieren Sie uns, wenn Sie einen Fehler gefunden haben.

