BLACK+DECKER 3X21 VAR SPD SANDER G-7498 Ersatzteile
G-7498 3X21 VAR SPD SANDER

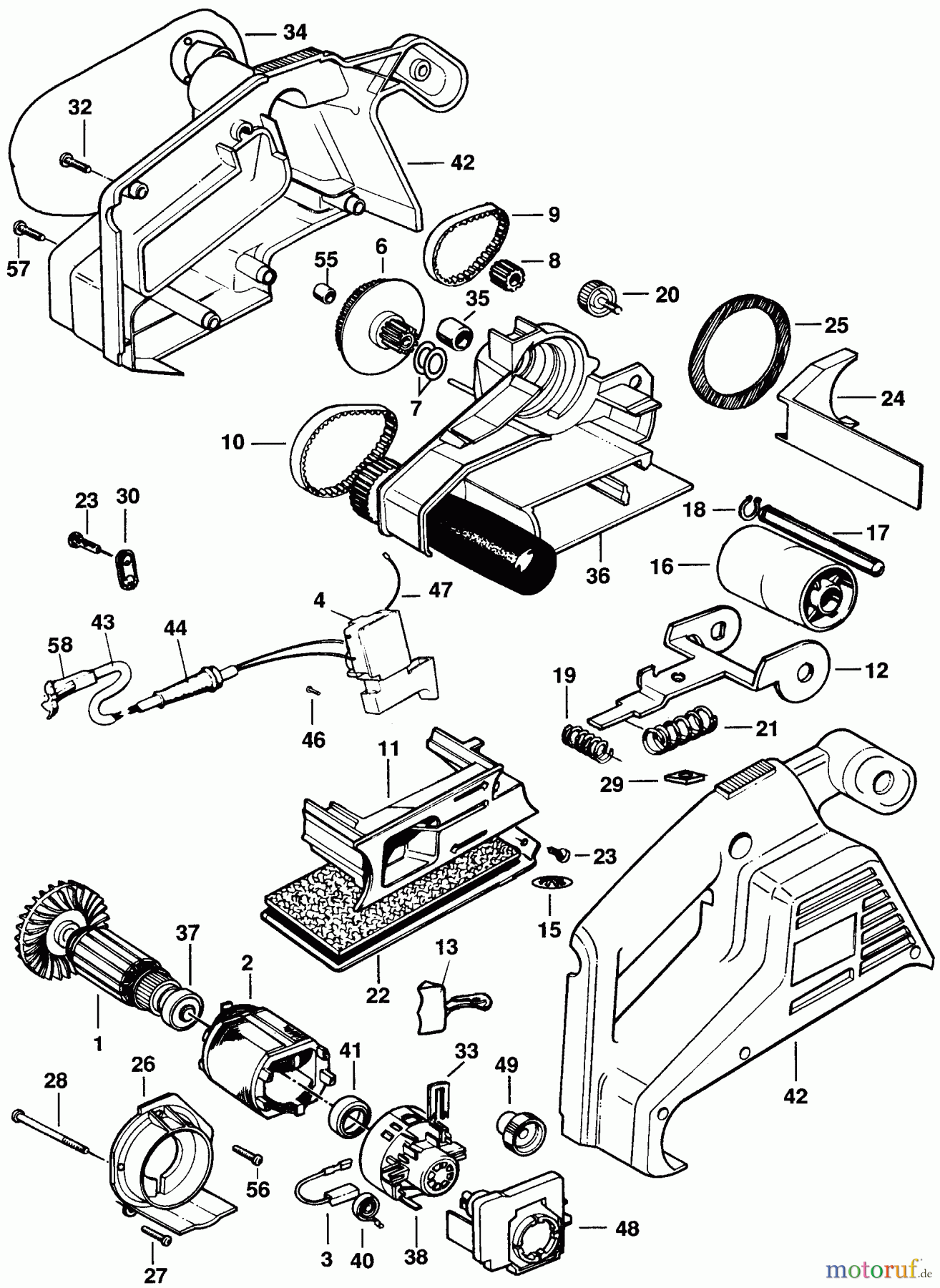
Hier finden Sie die Ersatzteilzeichnung für BLACK+DECKER Divers 3X21 VAR SPD SANDER G-7498 Seite 1. Wählen Sie das benötigte Ersatzteil aus der Ersatzteilliste Ihres BLACK+DECKER Gerätes aus und bestellen Sie einfach online. Viele BLACK+DECKER Ersatzteile halten wir ständig in unserem Lager für Sie bereit.


Qualitätsmanagement
Informieren Sie uns, wenn Sie einen Fehler gefunden haben.

