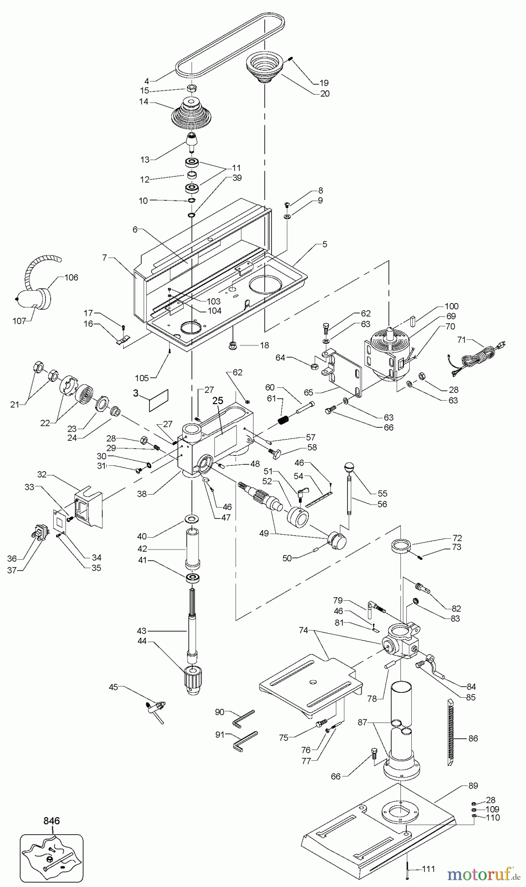
BLACK+DECKER 10 DRILL PRESS FS300DP Ersatzteile
FS300DP 10 DRILL PRESS

Hier finden Sie die Ersatzteilzeichnung für BLACK+DECKER Divers 10 DRILL PRESS FS300DP Seite 1. Wählen Sie das benötigte Ersatzteil aus der Ersatzteilliste Ihres BLACK+DECKER Gerätes aus und bestellen Sie einfach online. Viele BLACK+DECKER Ersatzteile halten wir ständig in unserem Lager für Sie bereit.



