PORTER CABLE 53444 FN250SB Ersatzteile
FN250SB 53444

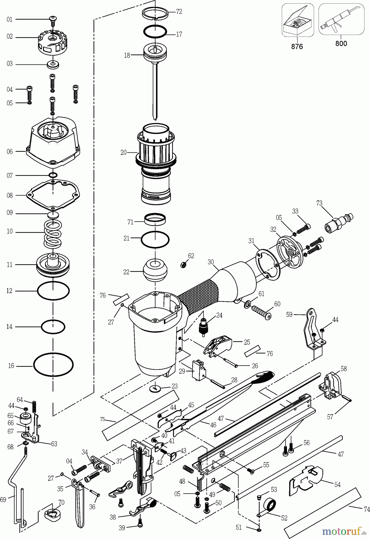
Hier finden Sie die Ersatzteilzeichnung für PORTER CABLE Divers 53444 FN250SB Seite 1. Wählen Sie das benötigte Ersatzteil aus der Ersatzteilliste Ihres PORTER CABLE Gerätes aus und bestellen Sie einfach online. Viele PORTER CABLE Ersatzteile halten wir ständig in unserem Lager für Sie bereit.


Qualitätsmanagement
Informieren Sie uns, wenn Sie einen Fehler gefunden haben.

