STANLEY CDLS DRILLS 18V BOHRHAMMER FMC625 Ersatzteile
FMC625 BOHRHAMMER

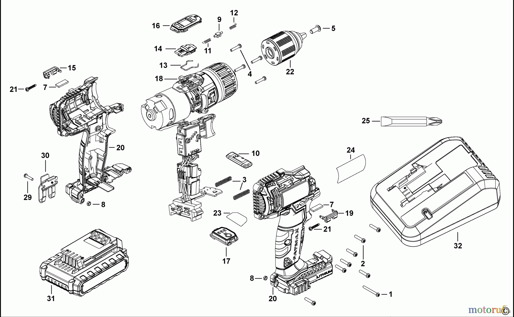
Hier finden Sie die Ersatzteilzeichnung für STANLEY CORDLESS DRILLS CDLS DRILLS 18V BOHRHAMMER FMC625 Seite 1. Wählen Sie das benötigte Ersatzteil aus der Ersatzteilliste Ihres STANLEY Gerätes aus und bestellen Sie einfach online. Viele STANLEY Ersatzteile halten wir ständig in unserem Lager für Sie bereit.


Qualitätsmanagement
Informieren Sie uns, wenn Sie einen Fehler gefunden haben.

