ELU SAWS TISCHSÄGE ETS41 Ersatzteile
ETS41 TISCHSÄGE

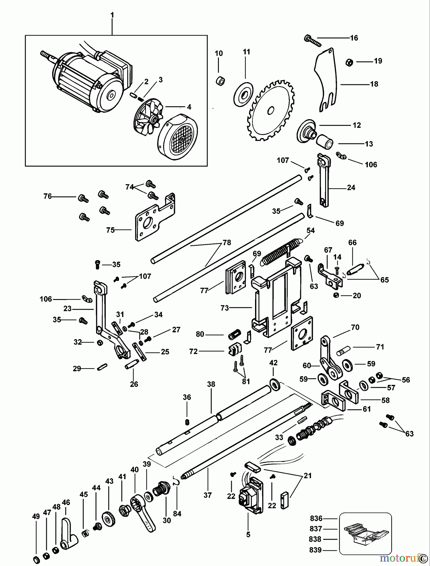
Hier finden Sie die Ersatzteilzeichnung für ELU WOODWORKING SAWS TISCHSÄGE ETS41 Seite 2. Wählen Sie das benötigte Ersatzteil aus der Ersatzteilliste Ihres ELU Gerätes aus und bestellen Sie einfach online. Viele ELU Ersatzteile halten wir ständig in unserem Lager für Sie bereit.


Qualitätsmanagement
Informieren Sie uns, wenn Sie einen Fehler gefunden haben.

