ELU SCREWDRIVERS, RATCHETS & WRENCHES SCHRAUBENDREHER ESD706 Ersatzteile
ESD706 SCHRAUBENDREHER

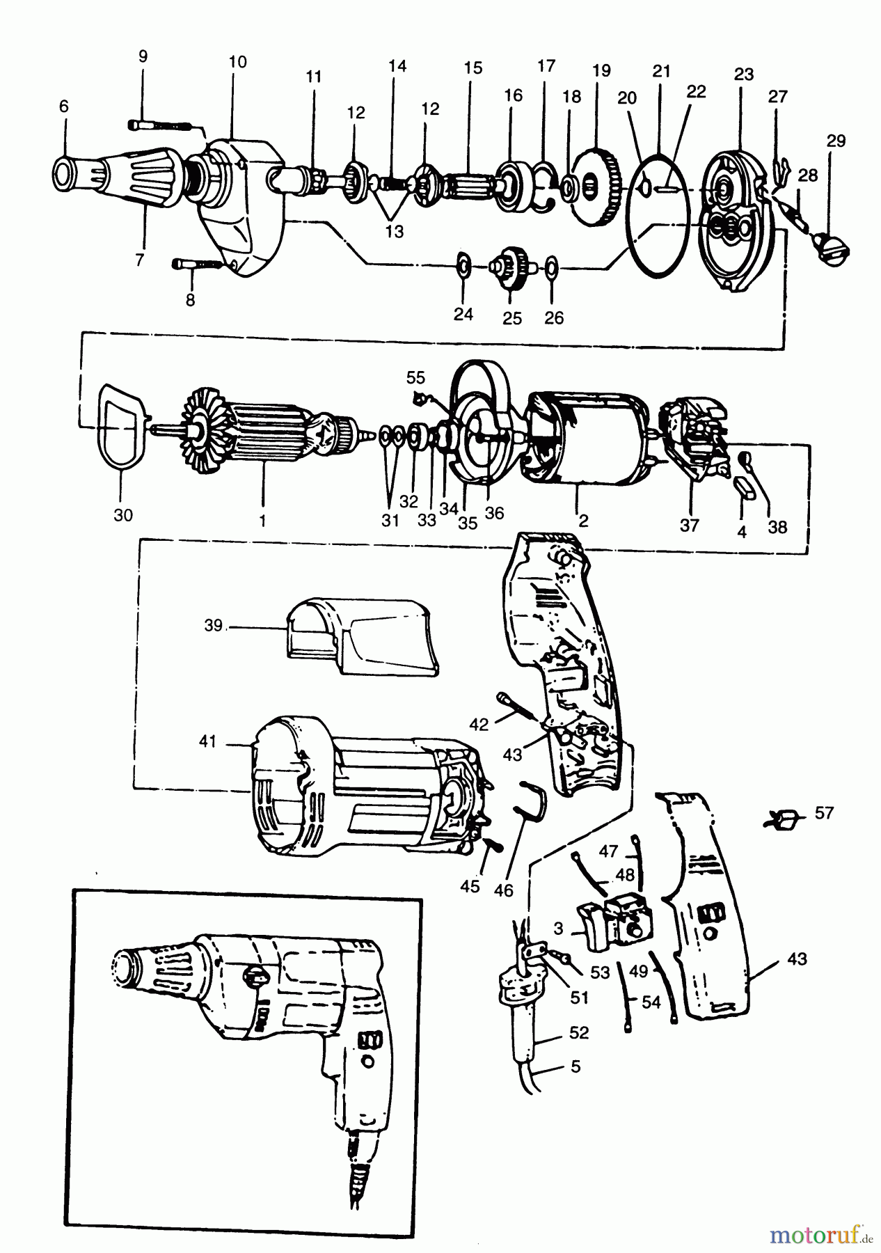
Hier finden Sie die Ersatzteilzeichnung für ELU DRILLING/DRIVING SCREWDRIVERS, RATCHETS & WRENCHES SCHRAUBENDREHER ESD706 Seite 1. Wählen Sie das benötigte Ersatzteil aus der Ersatzteilliste Ihres ELU Gerätes aus und bestellen Sie einfach online. Viele ELU Ersatzteile halten wir ständig in unserem Lager für Sie bereit.


Qualitätsmanagement
Informieren Sie uns, wenn Sie einen Fehler gefunden haben.

