ELU SCREWDRIVERS, RATCHETS & WRENCHES BOHRER ESD705 Ersatzteile
ESD705 BOHRER

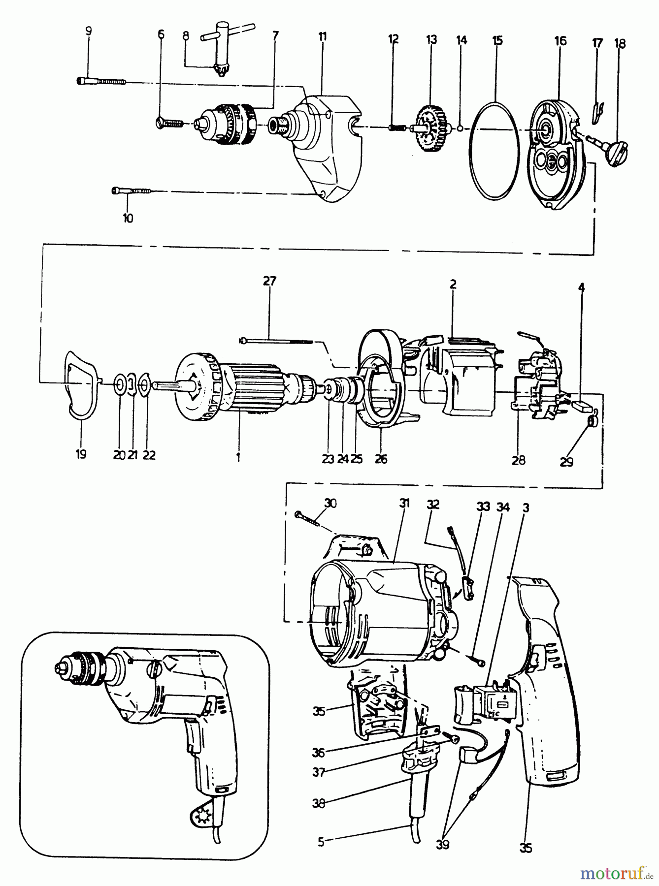
Hier finden Sie die Ersatzteilzeichnung für ELU DRILLING/DRIVING SCREWDRIVERS, RATCHETS & WRENCHES BOHRER ESD705 Seite 1. Wählen Sie das benötigte Ersatzteil aus der Ersatzteilliste Ihres ELU Gerätes aus und bestellen Sie einfach online. Viele ELU Ersatzteile halten wir ständig in unserem Lager für Sie bereit.



