ELU GRINDERS & POLISHERS WINKELSCHLEIFER EAG217 Ersatzteile
EAG217 WINKELSCHLEIFER

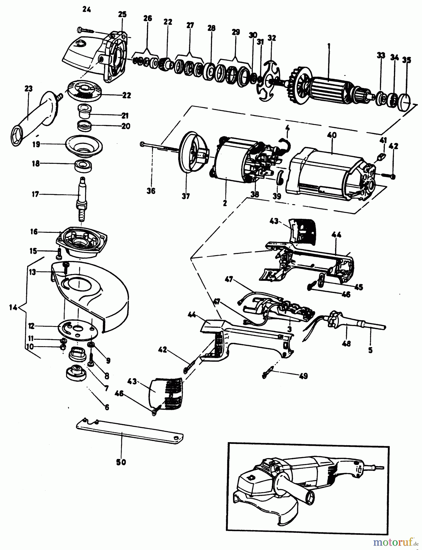
Hier finden Sie die Ersatzteilzeichnung für ELU METAL WORKING GRINDERS & POLISHERS WINKELSCHLEIFER EAG217 Seite 1. Wählen Sie das benötigte Ersatzteil aus der Ersatzteilliste Ihres ELU Gerätes aus und bestellen Sie einfach online. Viele ELU Ersatzteile halten wir ständig in unserem Lager für Sie bereit.



