ELU GRINDERS & POLISHERS WINKELSCHLEIFER EAG204 Ersatzteile
EAG204 WINKELSCHLEIFER

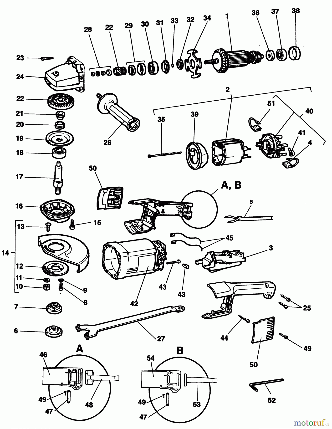
Hier finden Sie die Ersatzteilzeichnung für ELU METAL WORKING GRINDERS & POLISHERS WINKELSCHLEIFER EAG204 Seite 1. Wählen Sie das benötigte Ersatzteil aus der Ersatzteilliste Ihres ELU Gerätes aus und bestellen Sie einfach online. Viele ELU Ersatzteile halten wir ständig in unserem Lager für Sie bereit.


Qualitätsmanagement
Informieren Sie uns, wenn Sie einen Fehler gefunden haben.

