DEWALT GAS PRESSURE WASHER DXPW60604 Ersatzteile
DXPW60604 GAS PRESSURE WASHER

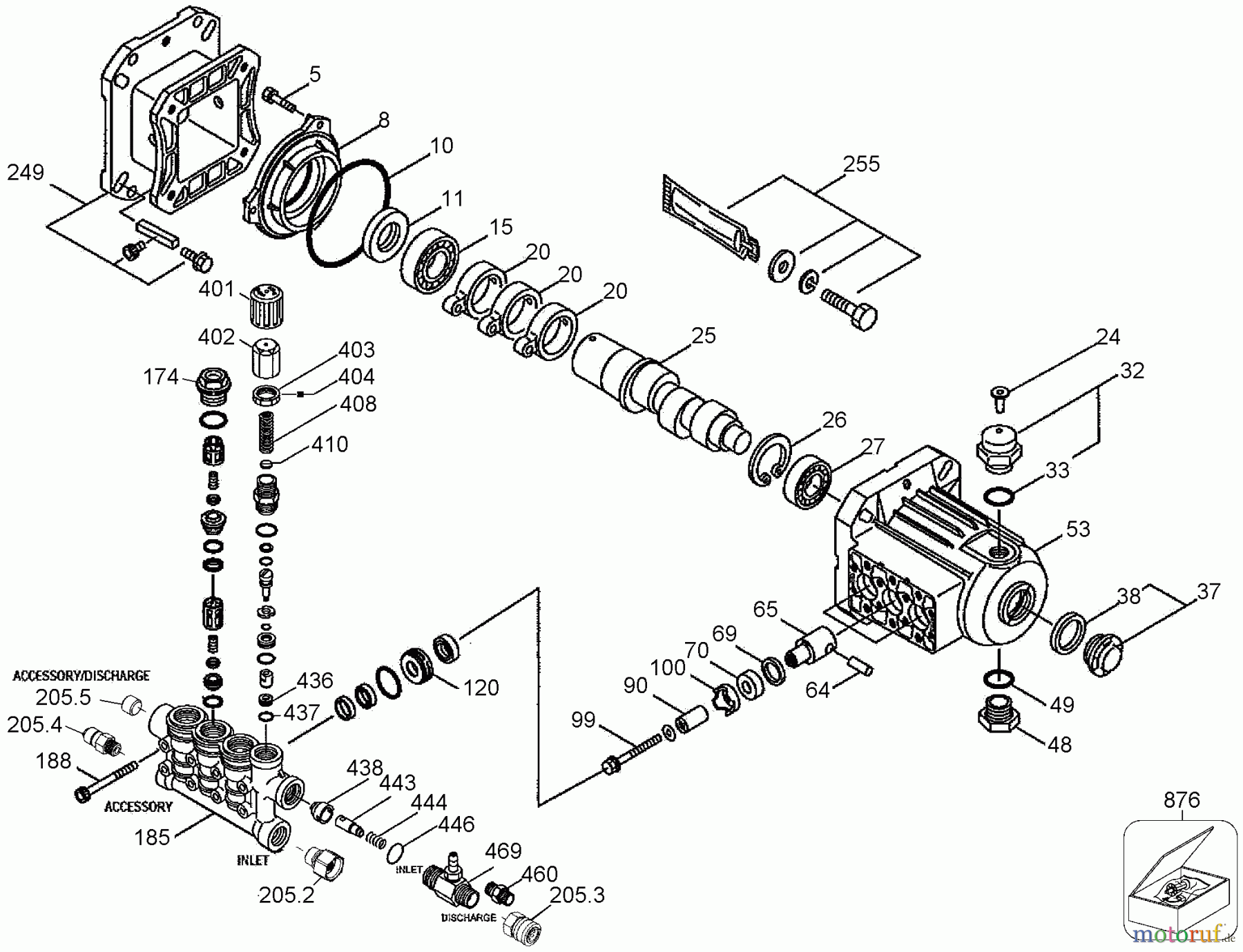
Hier finden Sie die Ersatzteilzeichnung für DEWALT Divers GAS PRESSURE WASHER DXPW60604 Seite 2. Wählen Sie das benötigte Ersatzteil aus der Ersatzteilliste Ihres DEWALT Gerätes aus und bestellen Sie einfach online. Viele DEWALT Ersatzteile halten wir ständig in unserem Lager für Sie bereit.


Qualitätsmanagement
Informieren Sie uns, wenn Sie einen Fehler gefunden haben.

