DEWALT HOCHDRUCKREINIGER DXPW011E Ersatzteile
DXPW011E HOCHDRUCKREINIGER

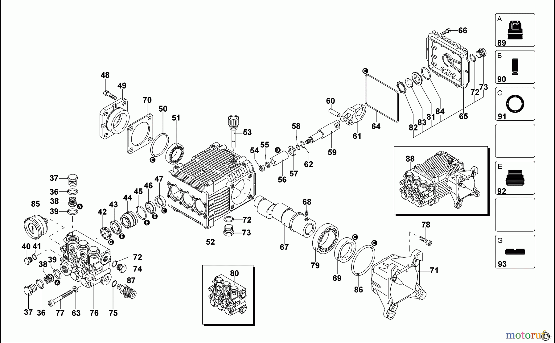
Hier finden Sie die Ersatzteilzeichnung für DEWALT HOCHDRUCKREINIGER HOCHDRUCKREINIGER DXPW011E Seite 2. Wählen Sie das benötigte Ersatzteil aus der Ersatzteilliste Ihres DEWALT Gerätes aus und bestellen Sie einfach online. Viele DEWALT Ersatzteile halten wir ständig in unserem Lager für Sie bereit.


Qualitätsmanagement
Informieren Sie uns, wenn Sie einen Fehler gefunden haben.

