DEWALT AIR COMPRESSOR, 80G DXCMLA4708065 Ersatzteile
DXCMLA4708065 AIR COMPRESSOR, 80G

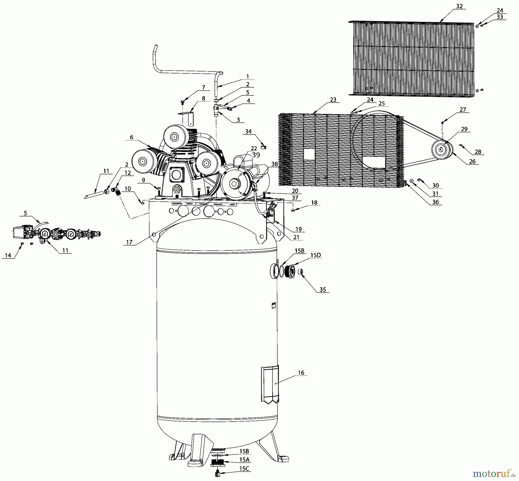
Hier finden Sie die Ersatzteilzeichnung für DEWALT Divers AIR COMPRESSOR, 80G DXCMLA4708065 Seite 1. Wählen Sie das benötigte Ersatzteil aus der Ersatzteilliste Ihres DEWALT Gerätes aus und bestellen Sie einfach online. Viele DEWALT Ersatzteile halten wir ständig in unserem Lager für Sie bereit.


Qualitätsmanagement
Informieren Sie uns, wenn Sie einen Fehler gefunden haben.

