DEWALT Gehrungssägen GEHRUNGSSÄGE DWS780 Ersatzteile
DWS780 GEHRUNGSSÄGE

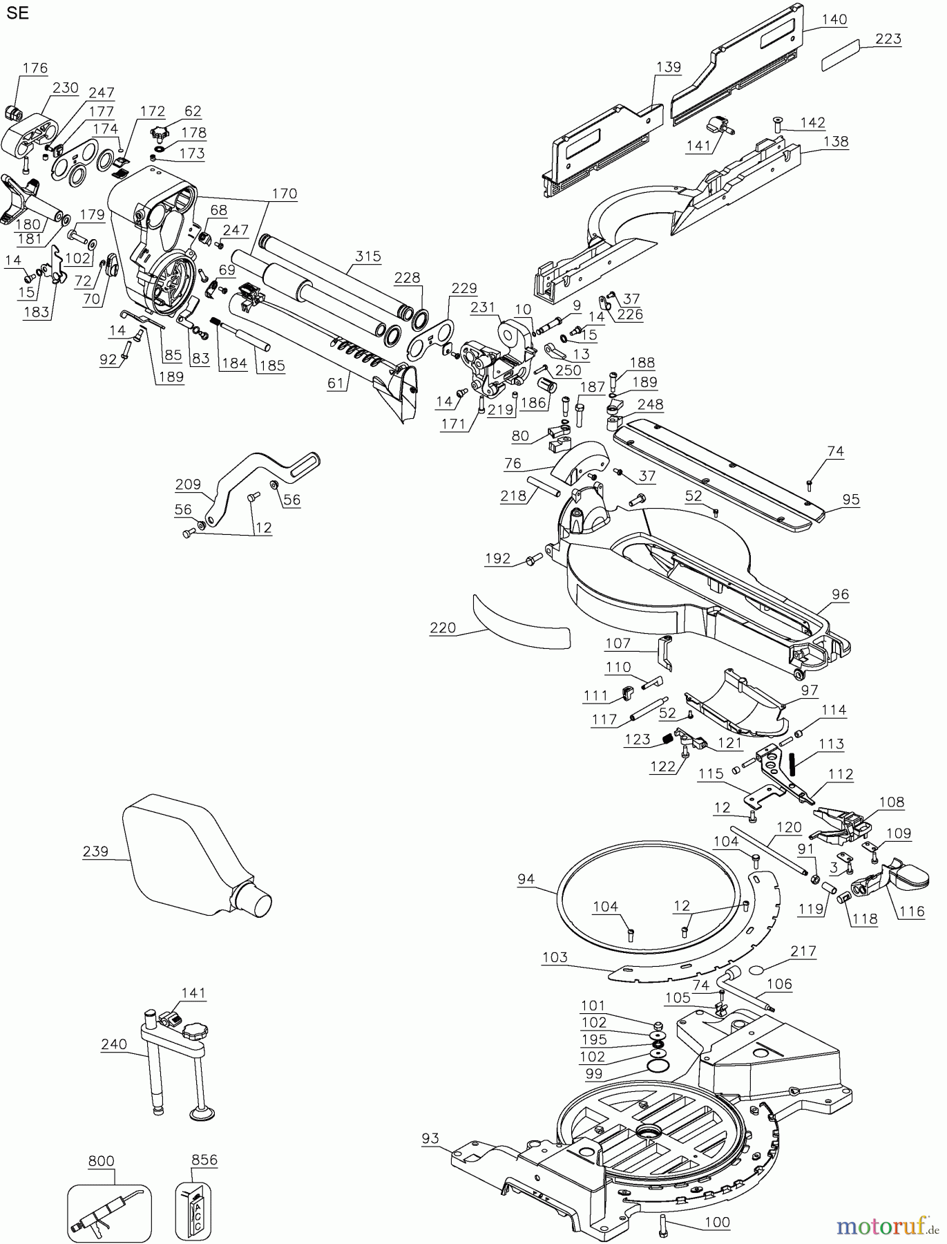
Hier finden Sie die Ersatzteilzeichnung für DEWALT HOLZARBEITEN Gehrungssägen GEHRUNGSSÄGE DWS780 Seite 2. Wählen Sie das benötigte Ersatzteil aus der Ersatzteilliste Ihres DEWALT Gerätes aus und bestellen Sie einfach online. Viele DEWALT Ersatzteile halten wir ständig in unserem Lager für Sie bereit.




