DEWALT Gehrungssägen GEHRUNGSSÄGE DWS777 Ersatzteile
DWS777 GEHRUNGSSÄGE

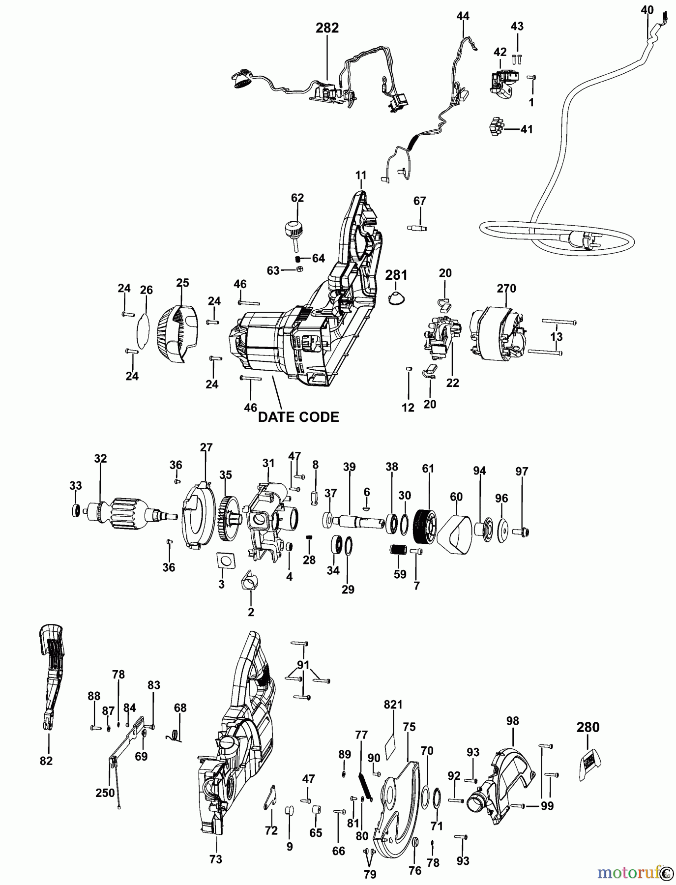
Hier finden Sie die Ersatzteilzeichnung für DEWALT HOLZARBEITEN Gehrungssägen GEHRUNGSSÄGE DWS777 Seite 1. Wählen Sie das benötigte Ersatzteil aus der Ersatzteilliste Ihres DEWALT Gerätes aus und bestellen Sie einfach online. Viele DEWALT Ersatzteile halten wir ständig in unserem Lager für Sie bereit.


Qualitätsmanagement
Informieren Sie uns, wenn Sie einen Fehler gefunden haben.

