DEWALT KREISSÄGEN KREISSGE DWE575 Ersatzteile
DWE575 KREISSGE

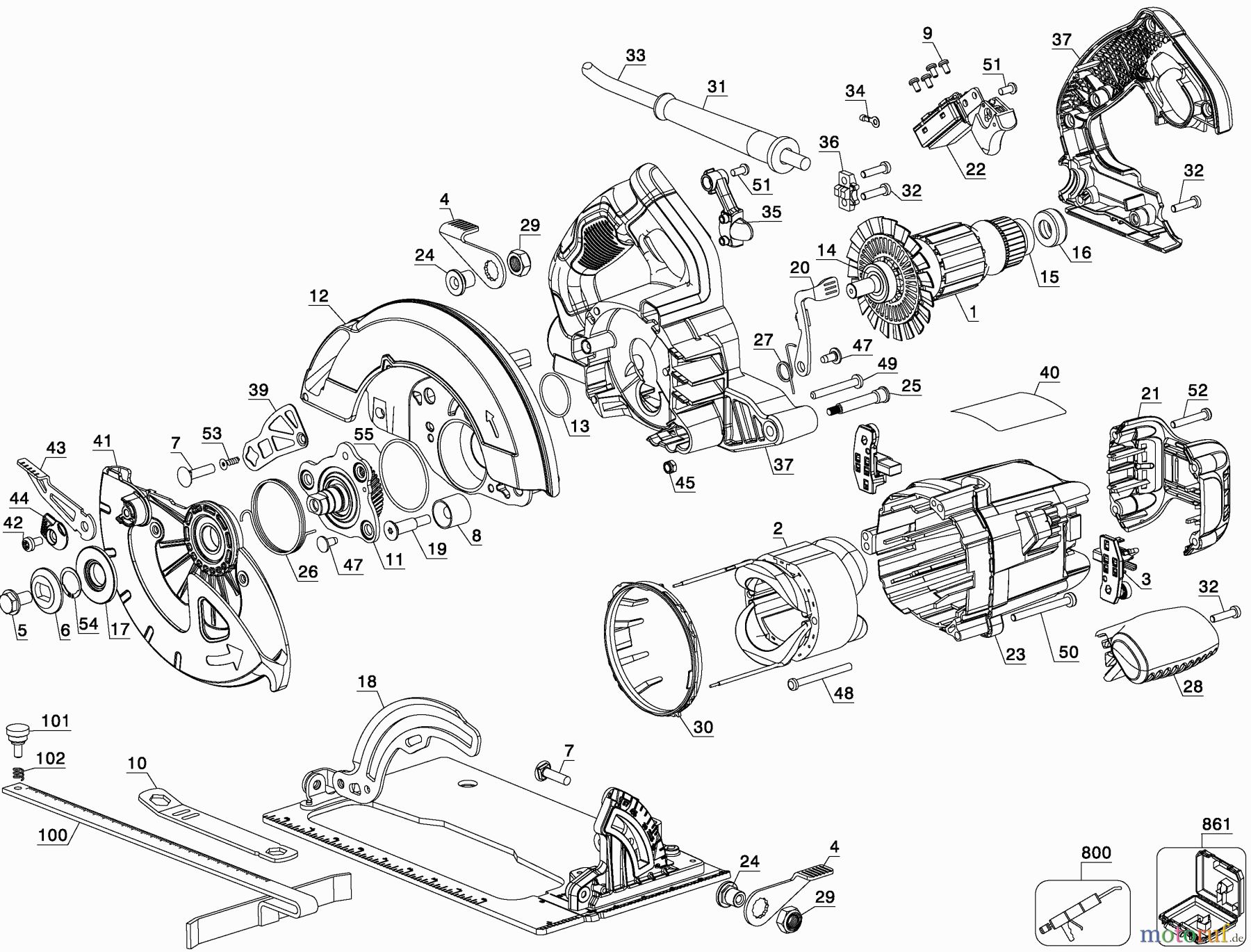
Hier finden Sie die Ersatzteilzeichnung für DEWALT HOLZARBEITEN KREISSÄGEN KREISSGE DWE575 Seite 1. Wählen Sie das benötigte Ersatzteil aus der Ersatzteilliste Ihres DEWALT Gerätes aus und bestellen Sie einfach online. Viele DEWALT Ersatzteile halten wir ständig in unserem Lager für Sie bereit.


Qualitätsmanagement
Informieren Sie uns, wenn Sie einen Fehler gefunden haben.

