DEWALT WINKELSCHLEIFER 100-125MM KLEINER WINKELSCHLEIFER DWE4117 Ersatzteile
DWE4117 KLEINER WINKELSCHLEIFER

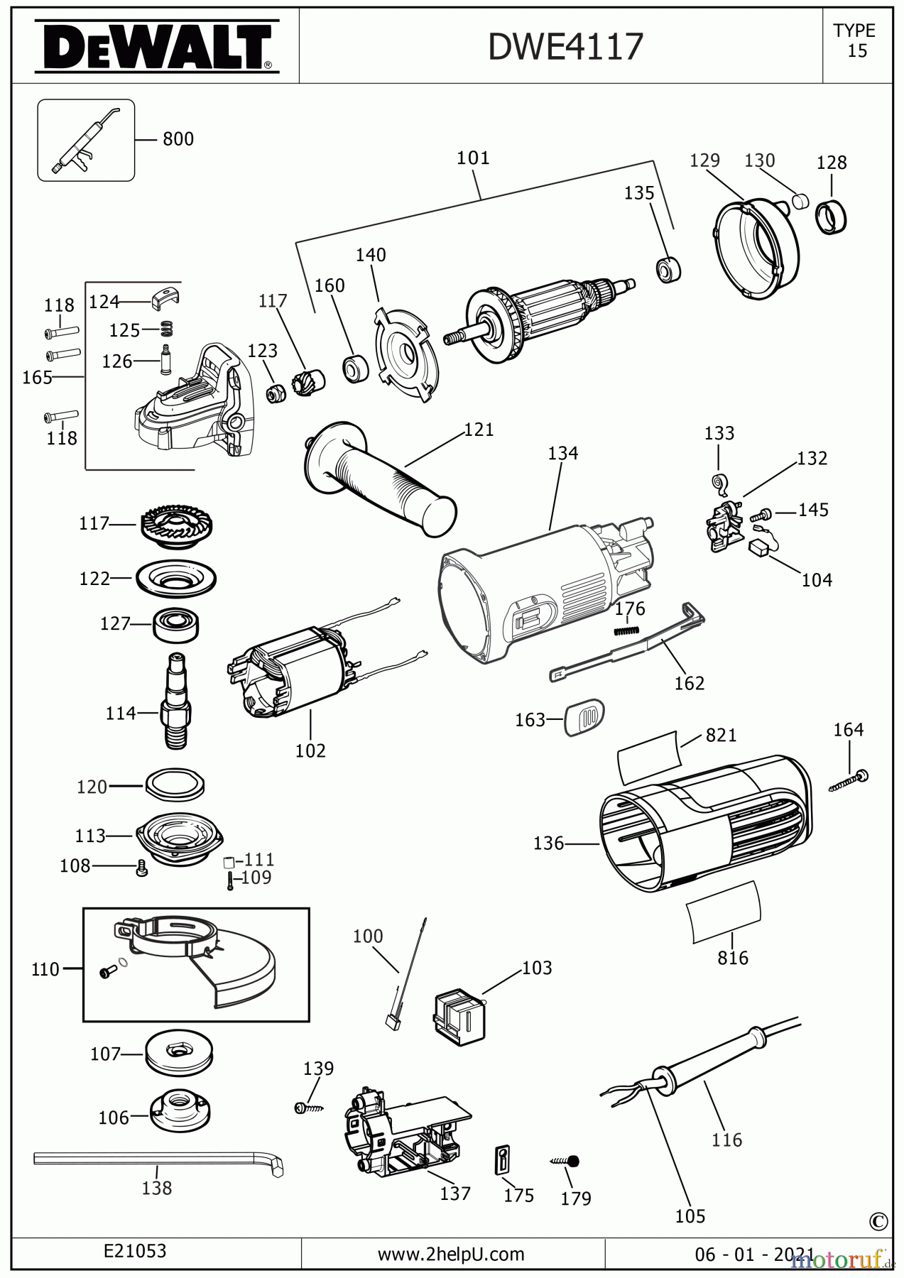
Hier finden Sie die Ersatzteilzeichnung für DEWALT METALLBEARBEITUNG WINKELSCHLEIFER 100-125MM KLEINER WINKELSCHLEIFER DWE4117 Seite 1. Wählen Sie das benötigte Ersatzteil aus der Ersatzteilliste Ihres DEWALT Gerätes aus und bestellen Sie einfach online. Viele DEWALT Ersatzteile halten wir ständig in unserem Lager für Sie bereit.


Qualitätsmanagement
Informieren Sie uns, wenn Sie einen Fehler gefunden haben.

