DEWALT CDLS DRILLS 18V AKKU-BOHRMASCHINE DW988 Ersatzteile
DW988 AKKU-BOHRMASCHINE

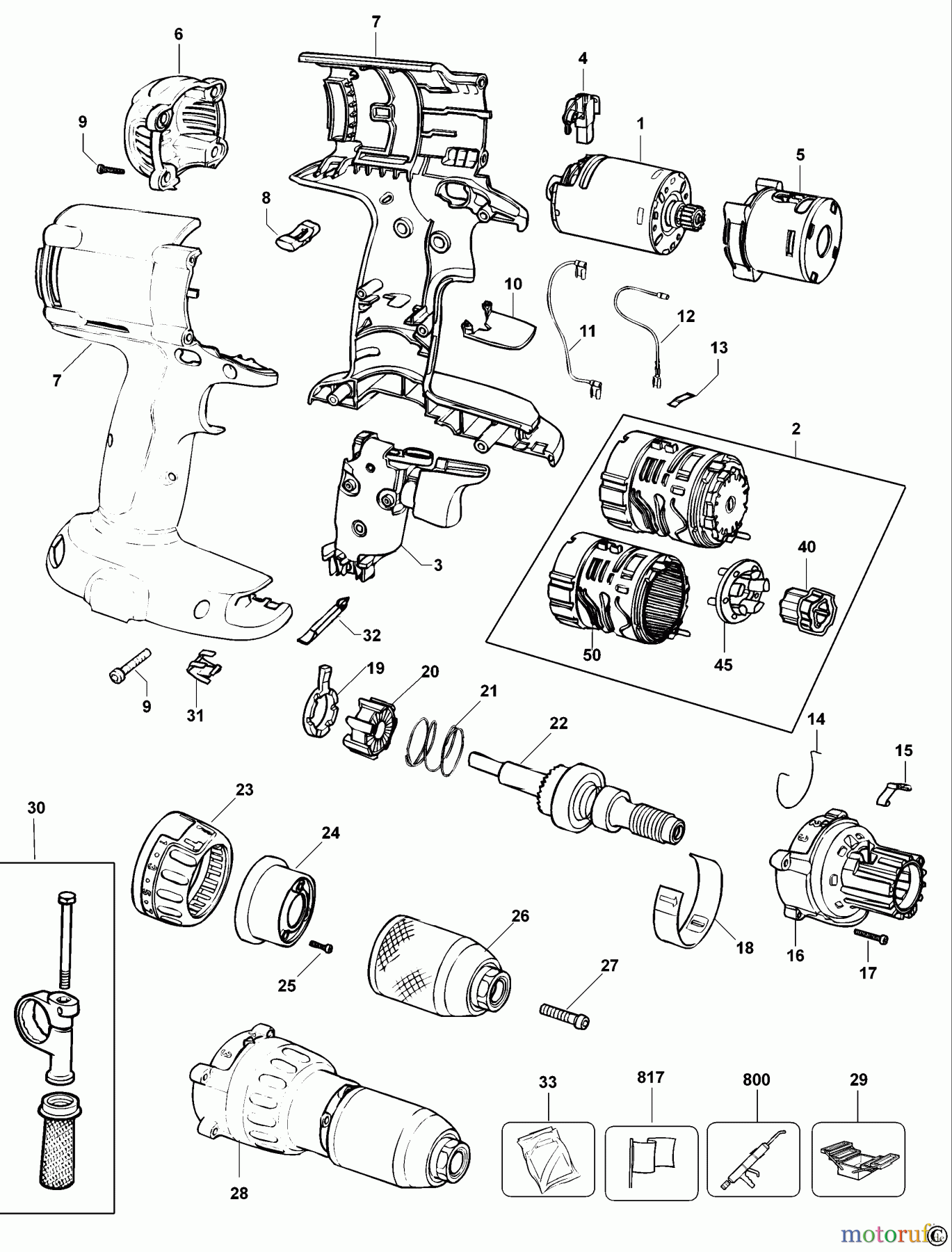
Hier finden Sie die Ersatzteilzeichnung für DEWALT AKKUBOHRER CDLS DRILLS 18V AKKU-BOHRMASCHINE DW988 Seite 1. Wählen Sie das benötigte Ersatzteil aus der Ersatzteilliste Ihres DEWALT Gerätes aus und bestellen Sie einfach online. Viele DEWALT Ersatzteile halten wir ständig in unserem Lager für Sie bereit.



