DEWALT 3/8 VSR DRIV.DR DW947K Ersatzteile
DW947K 3/8 VSR DRIV.DR

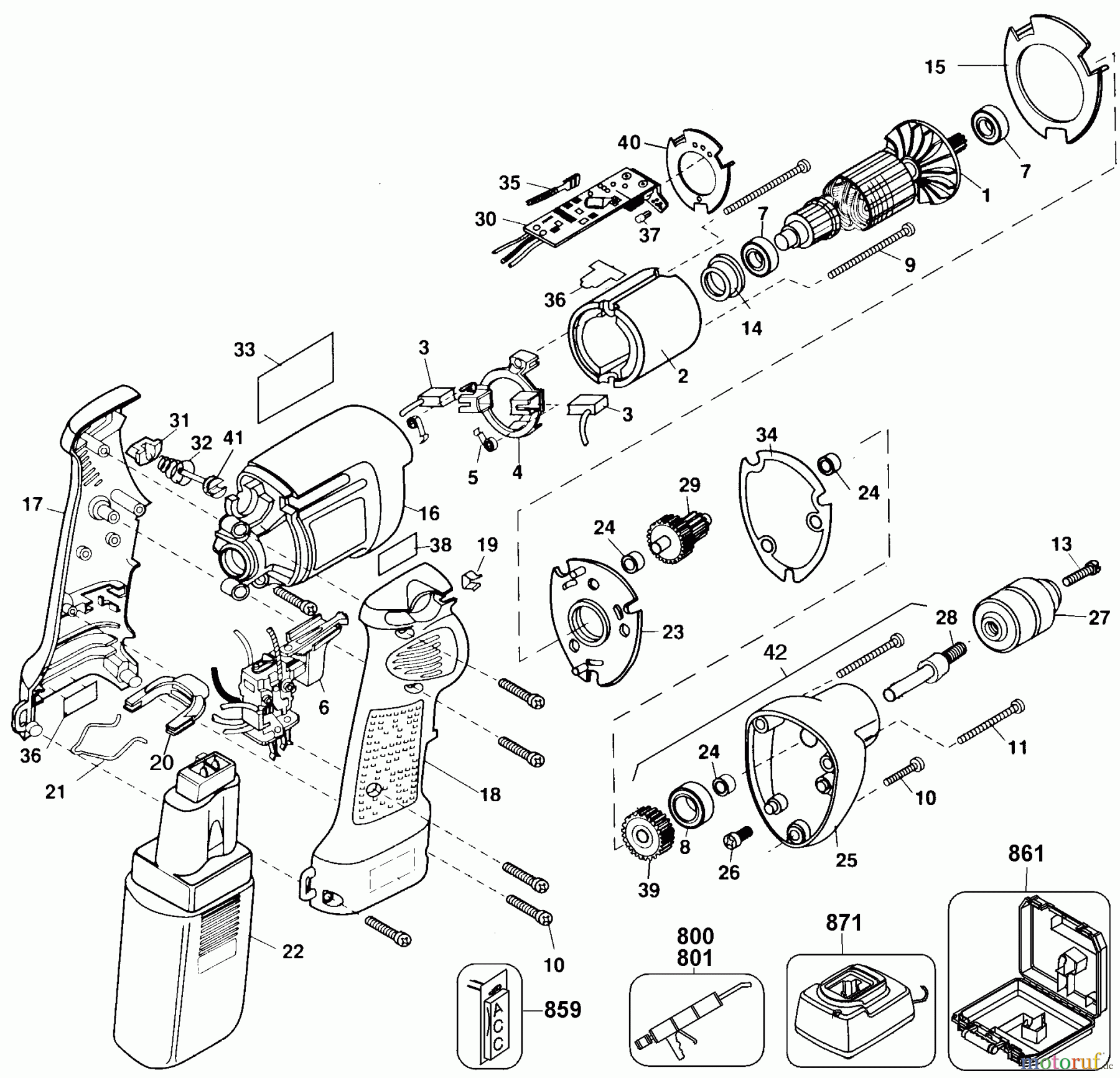
Hier finden Sie die Ersatzteilzeichnung für DEWALT Divers 3/8 VSR DRIV.DR DW947K Seite 1. Wählen Sie das benötigte Ersatzteil aus der Ersatzteilliste Ihres DEWALT Gerätes aus und bestellen Sie einfach online. Viele DEWALT Ersatzteile halten wir ständig in unserem Lager für Sie bereit.


Qualitätsmanagement
Informieren Sie uns, wenn Sie einen Fehler gefunden haben.

