DEWALT 18V RECIPROCATING SAW DW938K2 Ersatzteile
DW938K2 18V RECIPROCATING SAW

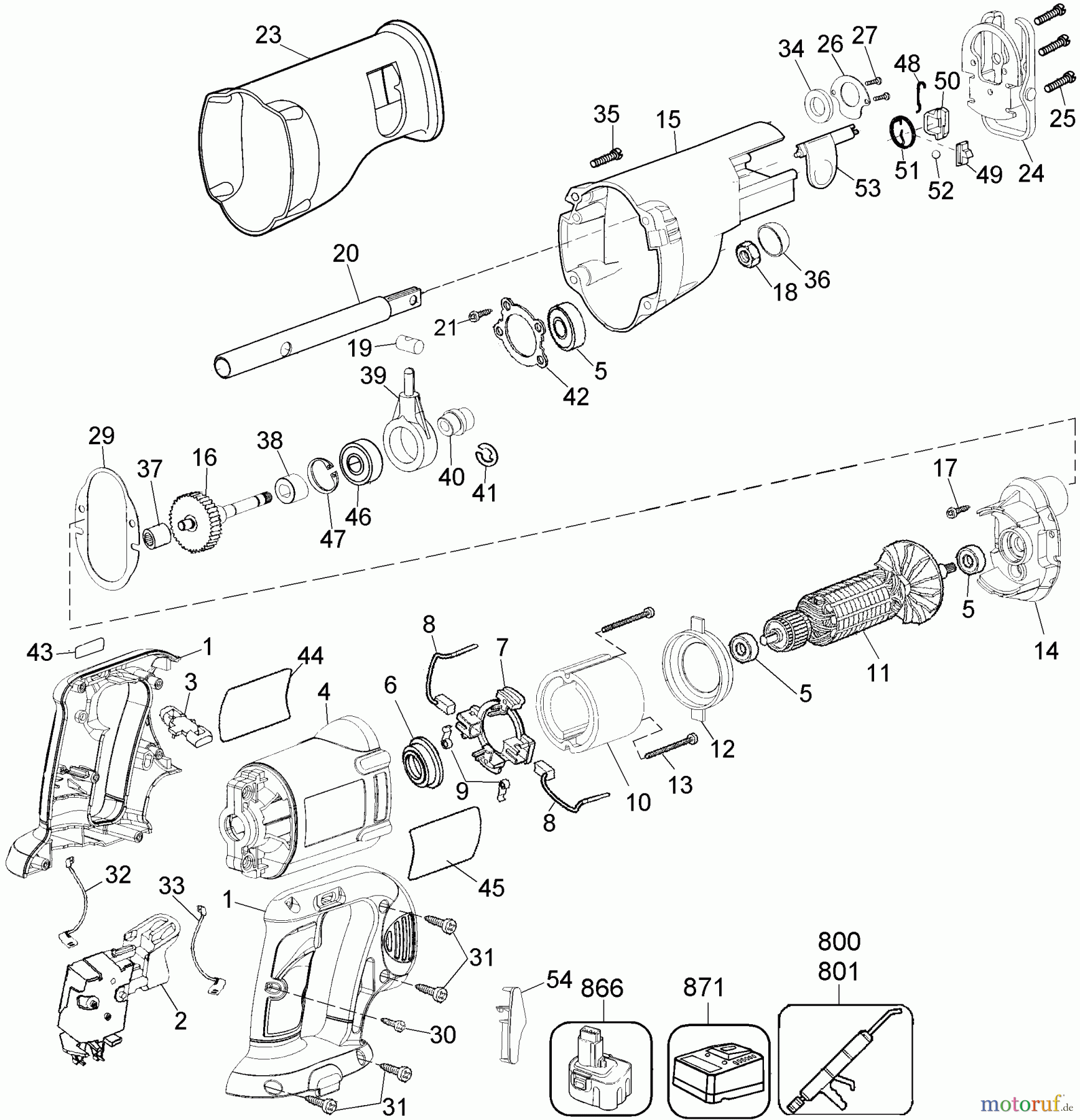
Hier finden Sie die Ersatzteilzeichnung für DEWALT Divers 18V RECIPROCATING SAW DW938K2 Seite 1. Wählen Sie das benötigte Ersatzteil aus der Ersatzteilliste Ihres DEWALT Gerätes aus und bestellen Sie einfach online. Viele DEWALT Ersatzteile halten wir ständig in unserem Lager für Sie bereit.


Qualitätsmanagement
Informieren Sie uns, wenn Sie einen Fehler gefunden haben.

