DEWALT RADIO DW911 Ersatzteile
DW911 RADIO

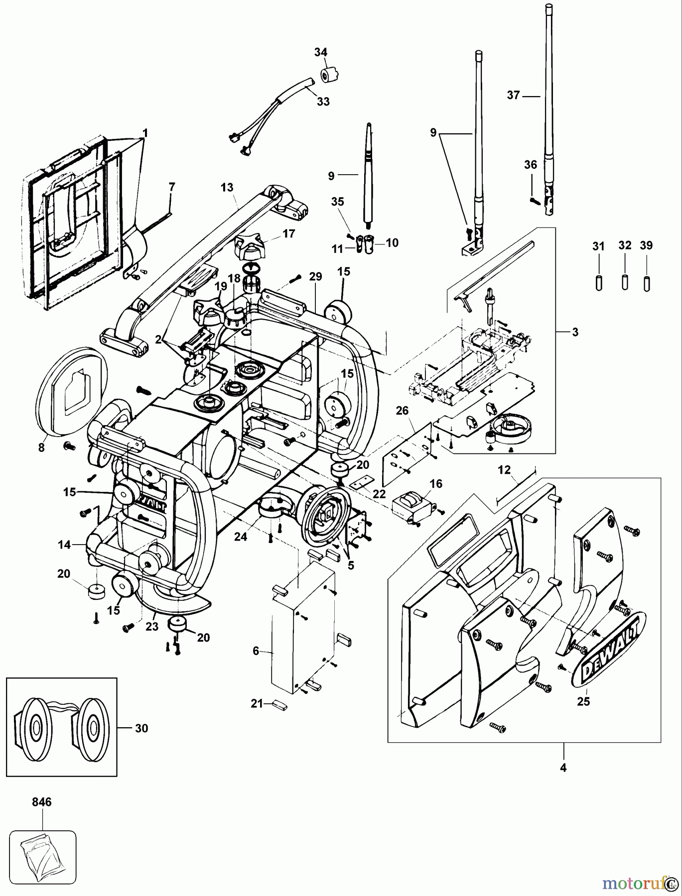
Hier finden Sie die Ersatzteilzeichnung für DEWALT SCHNURLOS-SONSTIGES RADIO DW911 Seite 1. Wählen Sie das benötigte Ersatzteil aus der Ersatzteilliste Ihres DEWALT Gerätes aus und bestellen Sie einfach online. Viele DEWALT Ersatzteile halten wir ständig in unserem Lager für Sie bereit.



