DEWALT SCHEREN & NIBBLER 18 GA SHEAR DW890 Ersatzteile
DW890 18 GA SHEAR

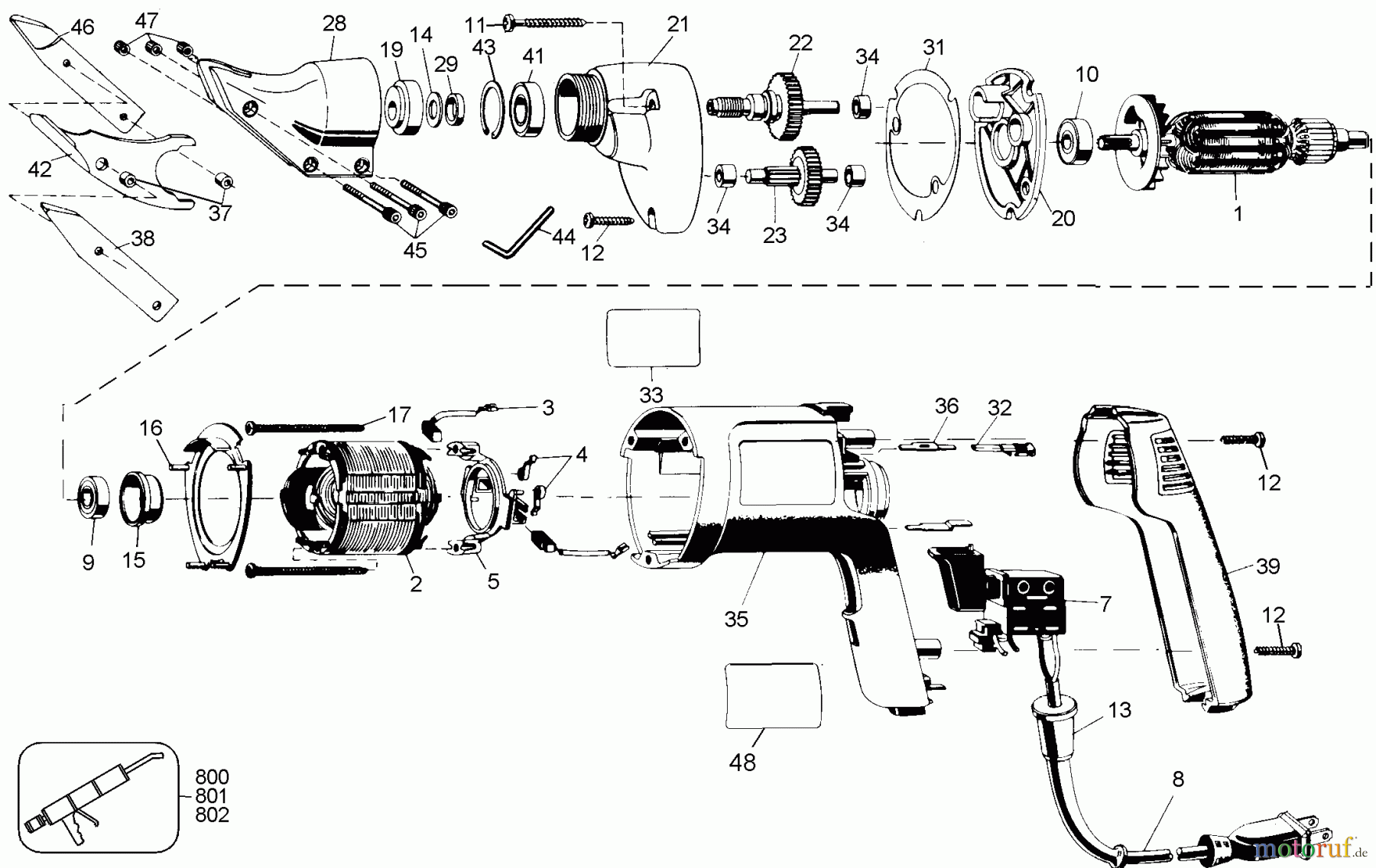
Hier finden Sie die Ersatzteilzeichnung für DEWALT METALLBEARBEITUNG SCHEREN & NIBBLER 18 GA SHEAR DW890 Seite 1. Wählen Sie das benötigte Ersatzteil aus der Ersatzteilliste Ihres DEWALT Gerätes aus und bestellen Sie einfach online. Viele DEWALT Ersatzteile halten wir ständig in unserem Lager für Sie bereit.


Qualitätsmanagement
Informieren Sie uns, wenn Sie einen Fehler gefunden haben.

