DEWALT SÄGEN METALLKREISSAEGE DW872 Ersatzteile
DW872 METALLKREISSAEGE

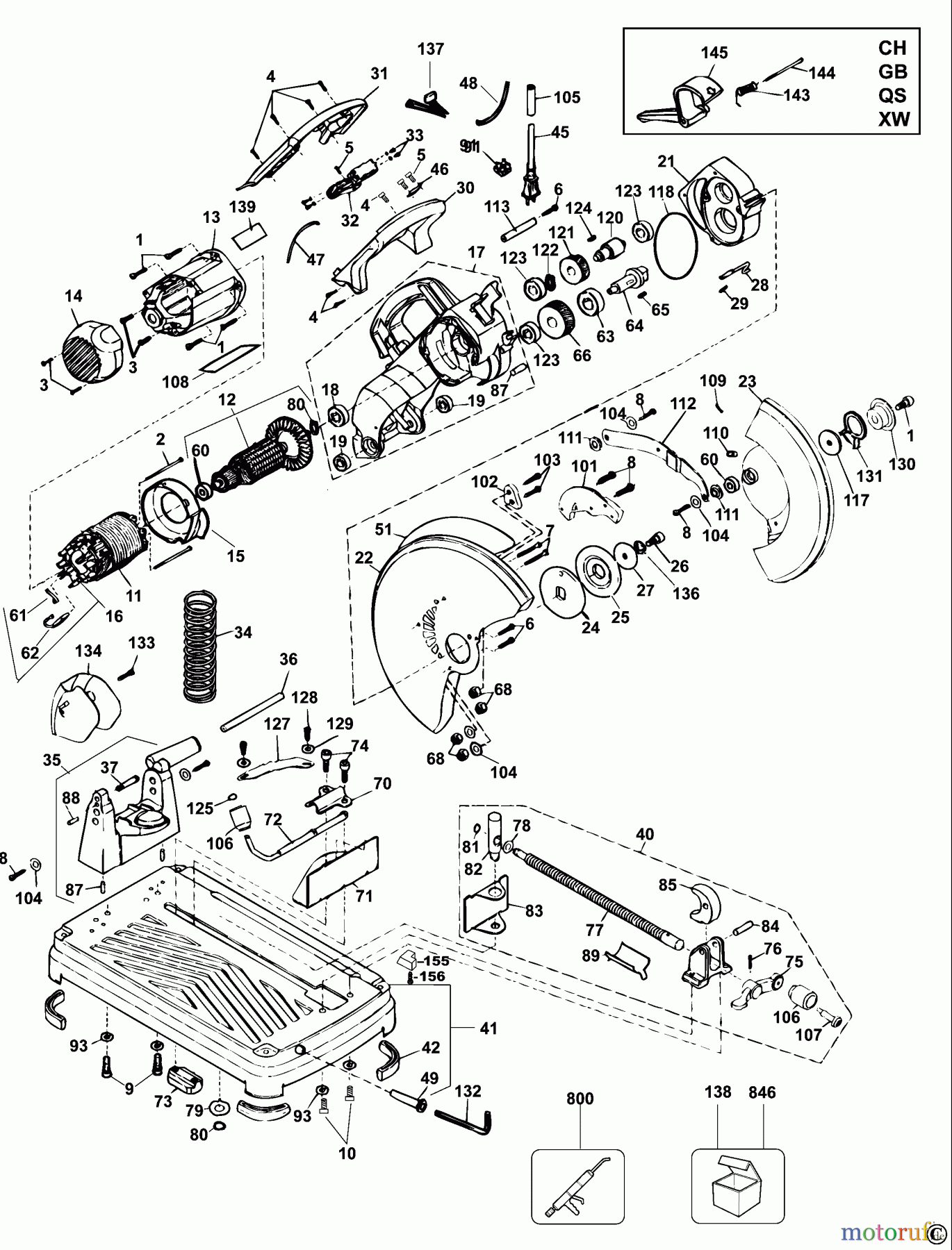
Hier finden Sie die Ersatzteilzeichnung für DEWALT METALLBEARBEITUNG SÄGEN METALLKREISSAEGE DW872 Seite 1. Wählen Sie das benötigte Ersatzteil aus der Ersatzteilliste Ihres DEWALT Gerätes aus und bestellen Sie einfach online. Viele DEWALT Ersatzteile halten wir ständig in unserem Lager für Sie bereit.


Qualitätsmanagement
Informieren Sie uns, wenn Sie einen Fehler gefunden haben.

