DEWALT TISCHSCHLEIFMASCHINEN TISCHSCHLEIFMASCHINE DW755 Ersatzteile
DW755 TISCHSCHLEIFMASCHINE

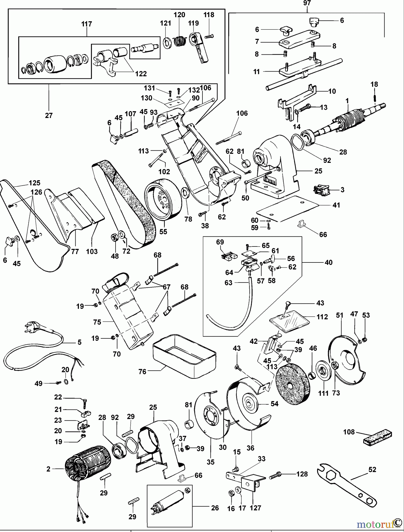
Hier finden Sie die Ersatzteilzeichnung für DEWALT METALLBEARBEITUNG TISCHSCHLEIFMASCHINEN TISCHSCHLEIFMASCHINE DW755 Seite 1. Wählen Sie das benötigte Ersatzteil aus der Ersatzteilliste Ihres DEWALT Gerätes aus und bestellen Sie einfach online. Viele DEWALT Ersatzteile halten wir ständig in unserem Lager für Sie bereit.



