DEWALT RADIALKREISSÄGEN RADIALARMSÄGE DW722KN Ersatzteile
DW722KN RADIALARMSÄGE

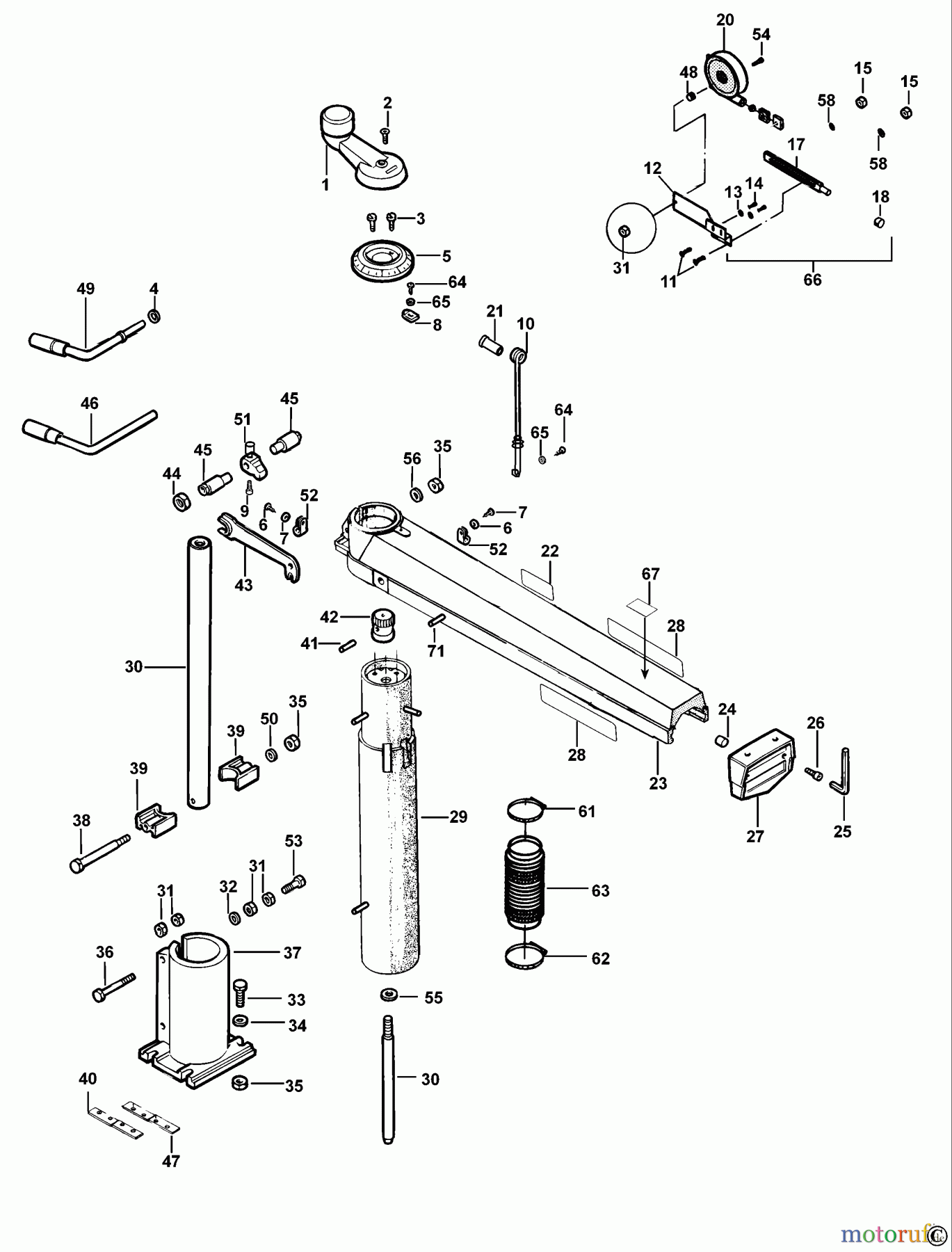
Hier finden Sie die Ersatzteilzeichnung für DEWALT HOLZARBEITEN RADIALKREISSÄGEN RADIALARMSÄGE DW722KN Seite 1. Wählen Sie das benötigte Ersatzteil aus der Ersatzteilliste Ihres DEWALT Gerätes aus und bestellen Sie einfach online. Viele DEWALT Ersatzteile halten wir ständig in unserem Lager für Sie bereit.


Qualitätsmanagement
 Informieren Sie uns, wenn Sie einen Fehler gefunden haben.


