DEWALT 1.5MM PLANER DW677K Ersatzteile
DW677K 1.5MM PLANER

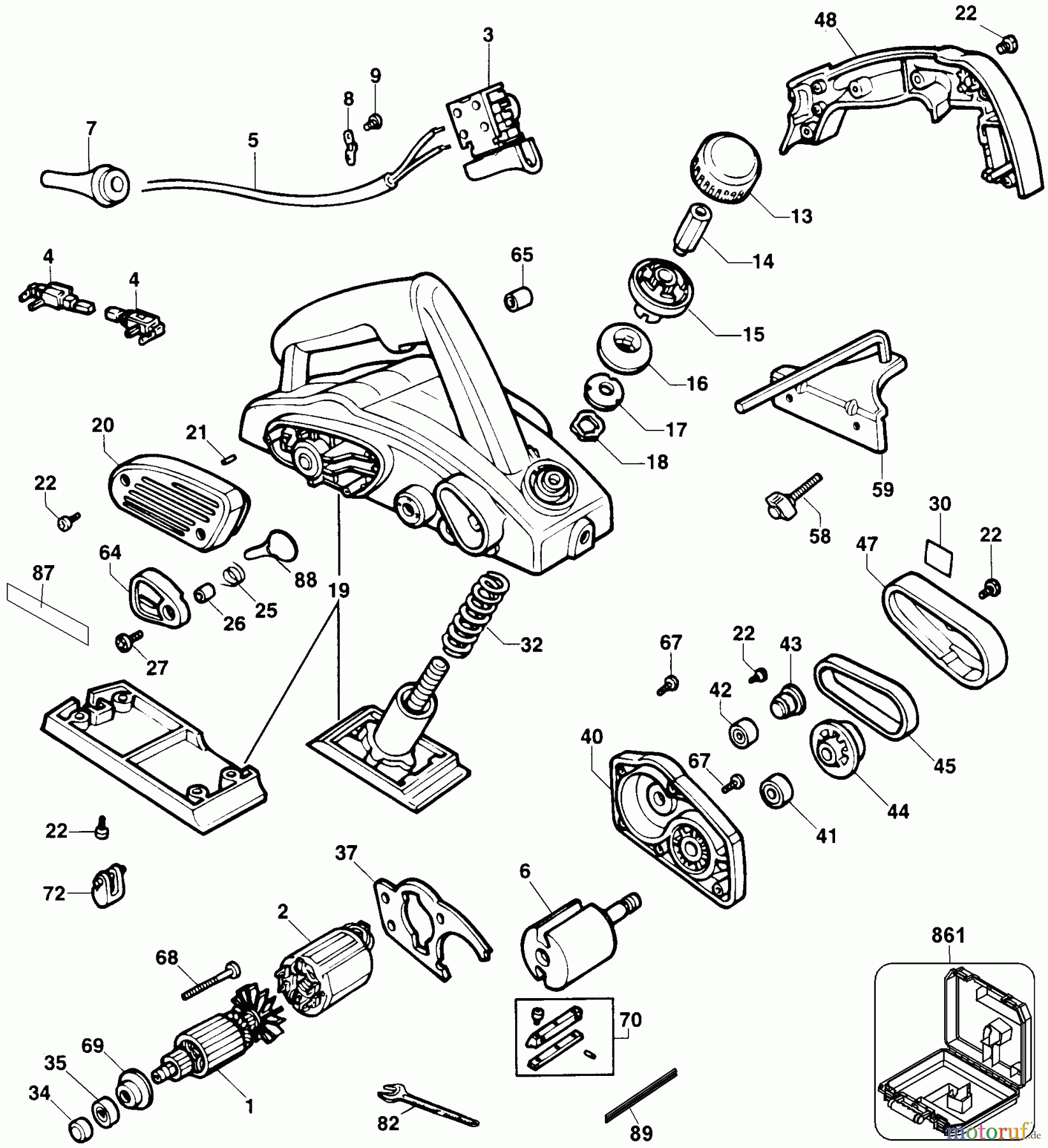
Hier finden Sie die Ersatzteilzeichnung für DEWALT Divers 1.5MM PLANER DW677K Seite 1. Wählen Sie das benötigte Ersatzteil aus der Ersatzteilliste Ihres DEWALT Gerätes aus und bestellen Sie einfach online. Viele DEWALT Ersatzteile halten wir ständig in unserem Lager für Sie bereit.



