DEWALT PLUNGE ROUTER 850W-AUST DW625EK Ersatzteile
DW625EK PLUNGE ROUTER 850W-AUST

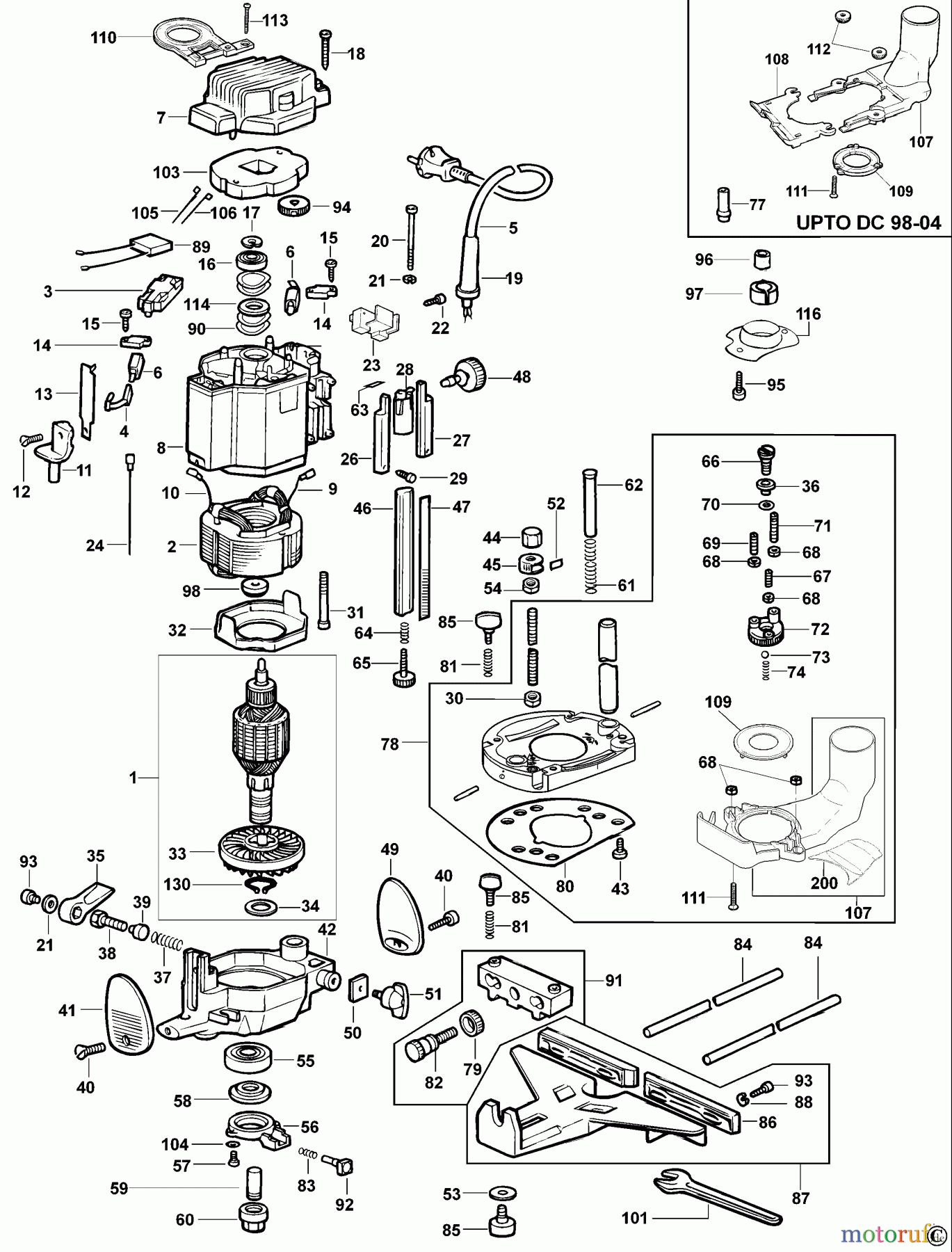
Hier finden Sie die Ersatzteilzeichnung für DEWALT Divers PLUNGE ROUTER 850W-AUST DW625EK Seite 1. Wählen Sie das benötigte Ersatzteil aus der Ersatzteilliste Ihres DEWALT Gerätes aus und bestellen Sie einfach online. Viele DEWALT Ersatzteile halten wir ständig in unserem Lager für Sie bereit.


Qualitätsmanagement
Informieren Sie uns, wenn Sie einen Fehler gefunden haben.

