DEWALT Bohrhämmer SDS-PLUS DREHHAMMER DW514K35 Ersatzteile
DW514K35 DREHHAMMER

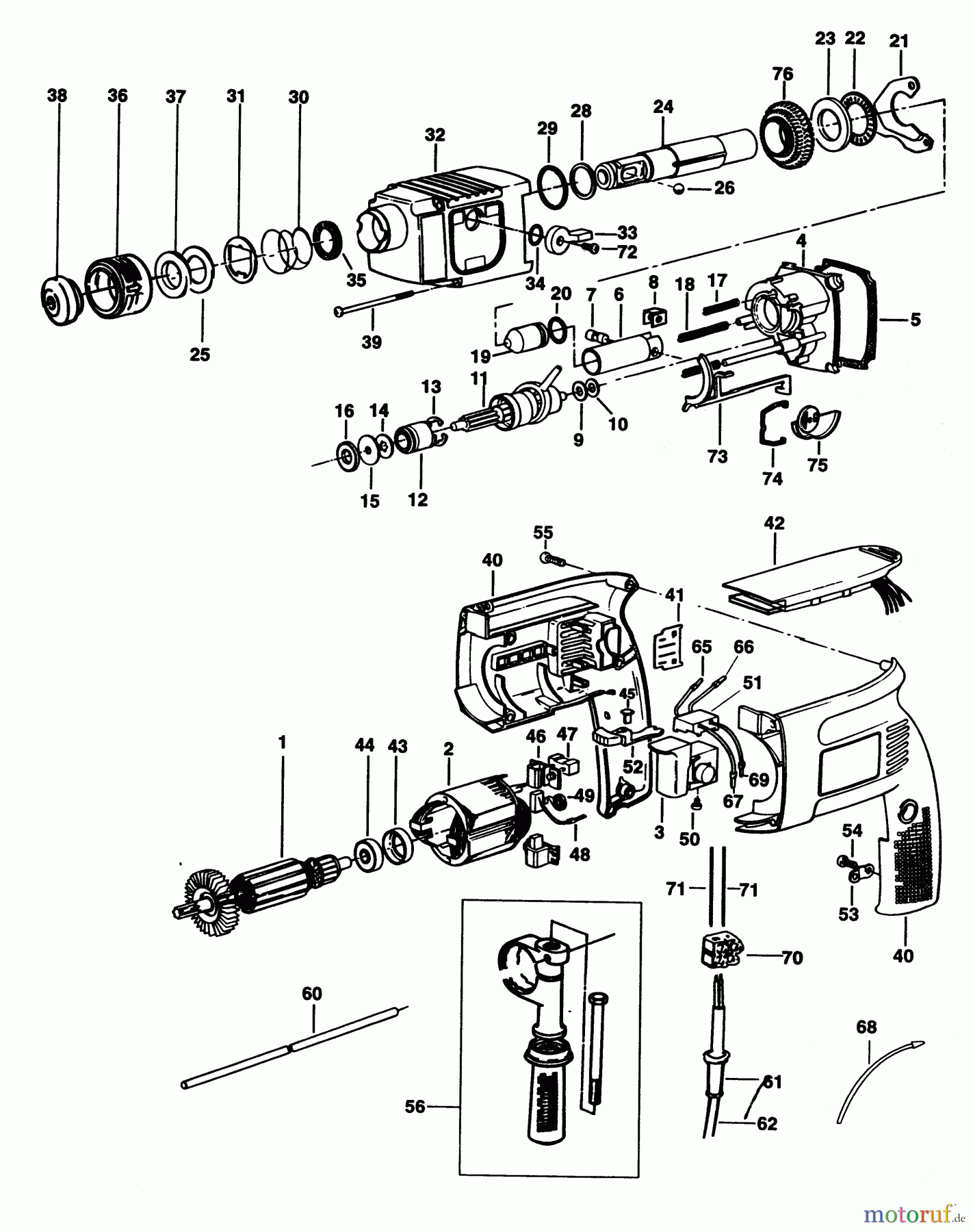
Hier finden Sie die Ersatzteilzeichnung für DEWALT Bohrhämmer Bohrhämmer SDS-PLUS DREHHAMMER DW514K35 Seite 1. Wählen Sie das benötigte Ersatzteil aus der Ersatzteilliste Ihres DEWALT Gerätes aus und bestellen Sie einfach online. Viele DEWALT Ersatzteile halten wir ständig in unserem Lager für Sie bereit.


Qualitätsmanagement
Informieren Sie uns, wenn Sie einen Fehler gefunden haben.

