DEWALT 3/8 4.2A H.D.DRILL-MEXICO DW501-35 Ersatzteile
DW501-35 3/8 4.2A H.D.DRILL-MEXICO

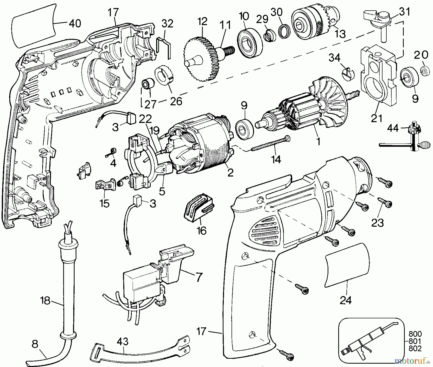
Hier finden Sie die Ersatzteilzeichnung für DEWALT Divers 3/8 4.2A H.D.DRILL-MEXICO DW501-35 Seite 1. Wählen Sie das benötigte Ersatzteil aus der Ersatzteilliste Ihres DEWALT Gerätes aus und bestellen Sie einfach online. Viele DEWALT Ersatzteile halten wir ständig in unserem Lager für Sie bereit.



